Operation CHARM: Car repair manuals for everyone.
Manuals through 2025 now available!

Our trusted friends have launched a new website named LEMON, which has newer manuals. It also contains all the CHARM manuals.

LEMON is the spiritual successor to CHARM, I recommend you try it!

Link: lemon-manuals.la or lemon-manuals.org.ua

(Some people have issue connecting. LEMON is investigating. For now, use Firefox or change your DNS server)

Or, hide this message: temporarily or permanently

Service Procedure

This service procedure will involve replacement of the fuel pump housing and includes transferring the fuel pump, fuel level sensor, and fuel filter from the original housing to the new housing.

Fuel Pump Housing Replacement

WARNING:
Place "Caution" signs near the work area indicating "No Fire" or "No Smoking".

Be careful not to spill fuel on the floor.

Make sure there is no more than half a tank of fuel in fuel tank.

Fuel Pump Housing Removal

Caution:
Use extreme care while performing the following steps. Gasoline contained in the fuel tank is extremely flammable.

^ Do not use electrical devices, such as drop lights, or other items that could cause a spark.

^ Do not allow smoking or other activities in the work area that could result in ignition of fuel vapors.

^ Be sure the vehicle's battery is disconnected as indicated in these instructions.

1) Raise rear seat and turn floor mat up.





2) Remove the fuel pump access cover

3) Release fuel pressure:





^ Disconnect the electrical connector from fuel pump.

^ Start the engine and run it until it stalls.

^ After the engine stalls, crank it for five more seconds.

^ Turn ignition switch to OFF.

NOTE:
Record radio pre-set stations.





4) Disconnect battery ground cable.





5) Please use caution and observe the following instructions when separating the fuel pump line connections. Note: The larger fuel line retainer clamp used on line "A" will be replaced during reassembly. However, the smaller retainer clamps used on lines "B" and "C" will be reused so use care not to cause damage during disassembly.

Separation of the Quick Connector on the Fuel Pump Delivery Line (A) Only





(1) Hold the connector and pick up the retainer clamp using your fingers.

(2) Pull out the connector from the retainer clamp.
Points to Notice





(A) Sticking is expected between the Connector and the Pipe. Prior to separation, push and pull the connector in the pipe axis direction while holding up the retainer clamp with your fingers. Pull out the connector in the pipe axis direction after the connector becomes free. Never wiggle or add force to the pipe from the top and bottom or right and left.





(B) Follow the procedure below if the retainer clamp can not be lifted up using your fingers. Pick up the retainer clamp with a thin tip tool like a pair of needle nose pliers. Since the pipe must not be damaged, take care to pick up on the retainer clamp only.





Separation of the Quick Connector on the Fuel Pump Return
Line (B) and Delivery Sub (C)





The special tool: 42099AE000, which is set up to separate fuel hoses with quick connectors in the engine compartment, can also be used for return and delivery sub hoses. The quick connector can be unlocked by inserting the special tool around the pipe and pushing it forward as
shown. Pull out and separate the connector.





6) Remove nuts which secure fuel pump assembly onto fuel tank

7) Carefully remove fuel pump assembly from fuel tank. To ease removal, lift up on the float while removing. Do not attempt to force the pump assembly from the tank.





Fuel Pump Housing Component Removal & Transfer

Fuel Pump





1) Remove fuel pump and pump holder from the housing by carefully spreading the two adjacent plastic pawls with just enough pressure to release the tabs. Note: It is not necessary to remove the pump holder or pick-up tube and sock from the fuel pump. Damage to these components could occur if attempted.





2) Disconnect the electrical connector from fuel pump.

Fuel Level Sensor





1) Disconnect the electrical connector from fuel pump bracket.





2) While pushing the pawls found on the back side of the fuel level sensor with a screw driver, remove the sensor by pulling it downwards. Caution: Do not attempt to pry on the clips found at the top and bottom of the sensor as this will cause permanent damage to the sensor.

Fuel Filter and Housing





1) Disconnect the ground cable from filter holder.





2) Remove the filter holder by turning it to the left from the body pawls, and then remove the filter.

Transfer all components to the new fuel pump housing.

Be sure to use the new fuel filter housing large o-ring / gasket contained in the repair kit when installing the filter.

Install The New Fuel Pump Housing

Important:

^ Always use the new gaskets provided in the fuel pump housing kit.

^ Ensure the sealing portion is free from fuel or foreign particles before installation.

1) Carefully reinstall the fuel pump housing into the fuel tank using caution while inserting the fuel level float through the fuel tank opening. It will be necessary to hold the float up to avoid interference with the inner tank fuel reservoir.





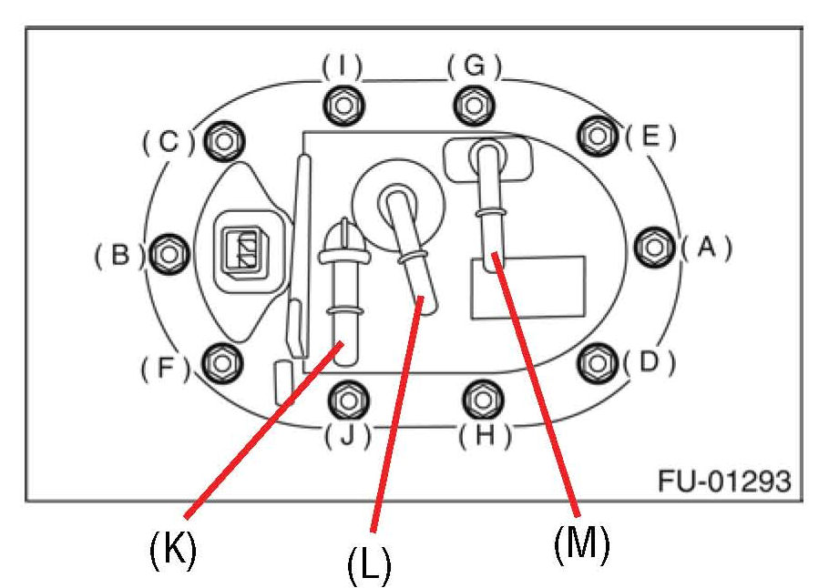
2) Tighten nuts in alphabetical sequence as shown to specified torque.

Tightening torque: 5.9 Nm (0.6 kgf-m, 4.3 ft-lb)

3) Reattach the fuel lines using a new retainer clamp on the fuel delivery line (K); part number 42037AE110. Reuse the retainer clamps previously removed on lines (L) and (M). NOTE: If any retainer clamps were damaged during removal replace with new ones.

^ When the connector is reconnected, be careful not to force, bend, or twist the pipe.

^ When the retainer was separated using the special tool or the retainer was replaced with a new part:
Hold the connector body with your fingers, align the axis of the pipe and the connector and then push in the pipe until the retainer clicks.

When the retainer was separated by hand:
Hold the connector body with your fingers, align the axis of the pipe, fit the retainer claw in the connector groove and push in the pipe until the retainer clicks.





^ Push and pull the connector lightly several times to ensure the pipe is fully engaged with the connector. Also, visually check if the retainer claws are engaged with the connector groove at both of the two points.

4) Reattach the fuel pump electrical connector.

5) Reconnect the battery.

6) Start vehicle and confirm there are no fuel leaks.

^ Raise fuel pressure in the high pressure fuel lines and check for leakage at each of the connectors, tubes and pipes.

7) Reinstall the fuel pump access cover and remaining components to their original condition.

8) Reprogram radio pre-set stations.