Operation CHARM: Car repair manuals for everyone.
Manuals through 2025 now available!

Our trusted friends have launched a new website named LEMON, which has newer manuals. It also contains all the CHARM manuals.

LEMON is the spiritual successor to CHARM, I recommend you try it!

Link: lemon-manuals.la or lemon-manuals.org.ua

(Some people have issue connecting. LEMON is investigating. For now, use Firefox or change your DNS server)

Or, hide this message: temporarily or permanently

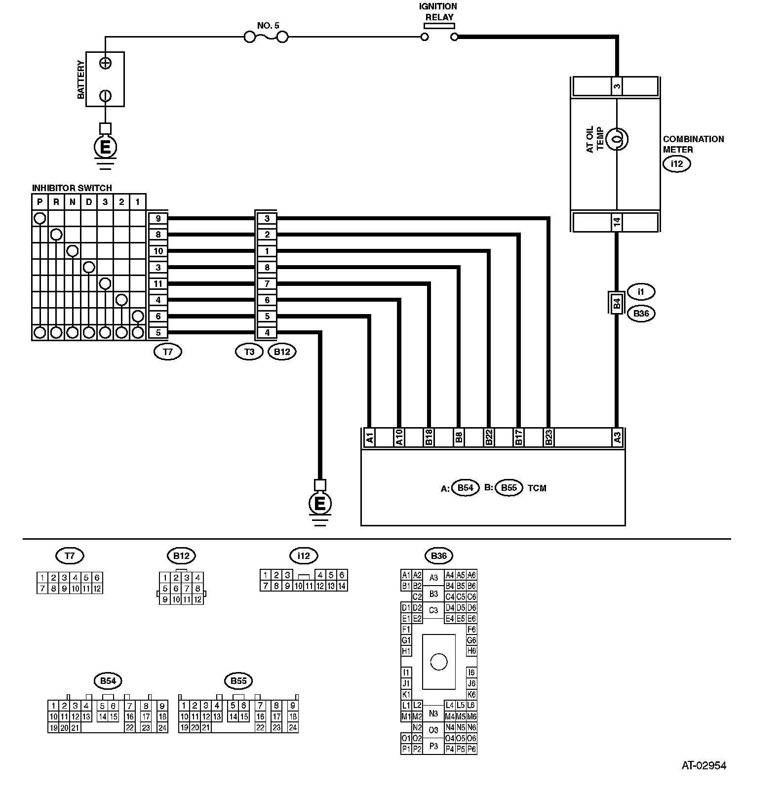
Diagnostic Procedure For AT Oil Temp Warning Light

Diagnostic Procedure for AT OIL TEMP Warning Light

Steps 1 - 8:




Steps 9 - 10:





AT OIL TEMP WARNING LIGHT DOES NOT COME ON OR GO OFF
DIAGNOSIS:
^ The AT OIL TEMP warning light circuit is open or shorted.

TROUBLE SYMPTOM:
^ When the ignition switch is turned to ON (engine OFF), AT OIL TEMP warning light does not illuminate.
^ When the on-board diagnostics is performed, AT OIL TEMP warning light remains illuminated.





WIRING DIAGRAM:

Steps 1 - 8:





CHECK POWER SUPPLY AND GROUND LINE





WIRING DIAGRAM: