Operation CHARM: Car repair manuals for everyone.
Manuals through 2025 now available!

Our trusted friends have launched a new website named LEMON, which has newer manuals. It also contains all the CHARM manuals.

LEMON is the spiritual successor to CHARM, I recommend you try it!

Link: lemon-manuals.la or lemon-manuals.org.ua

(Some people have issue connecting. LEMON is investigating. For now, use Firefox or change your DNS server)

Or, hide this message: temporarily or permanently

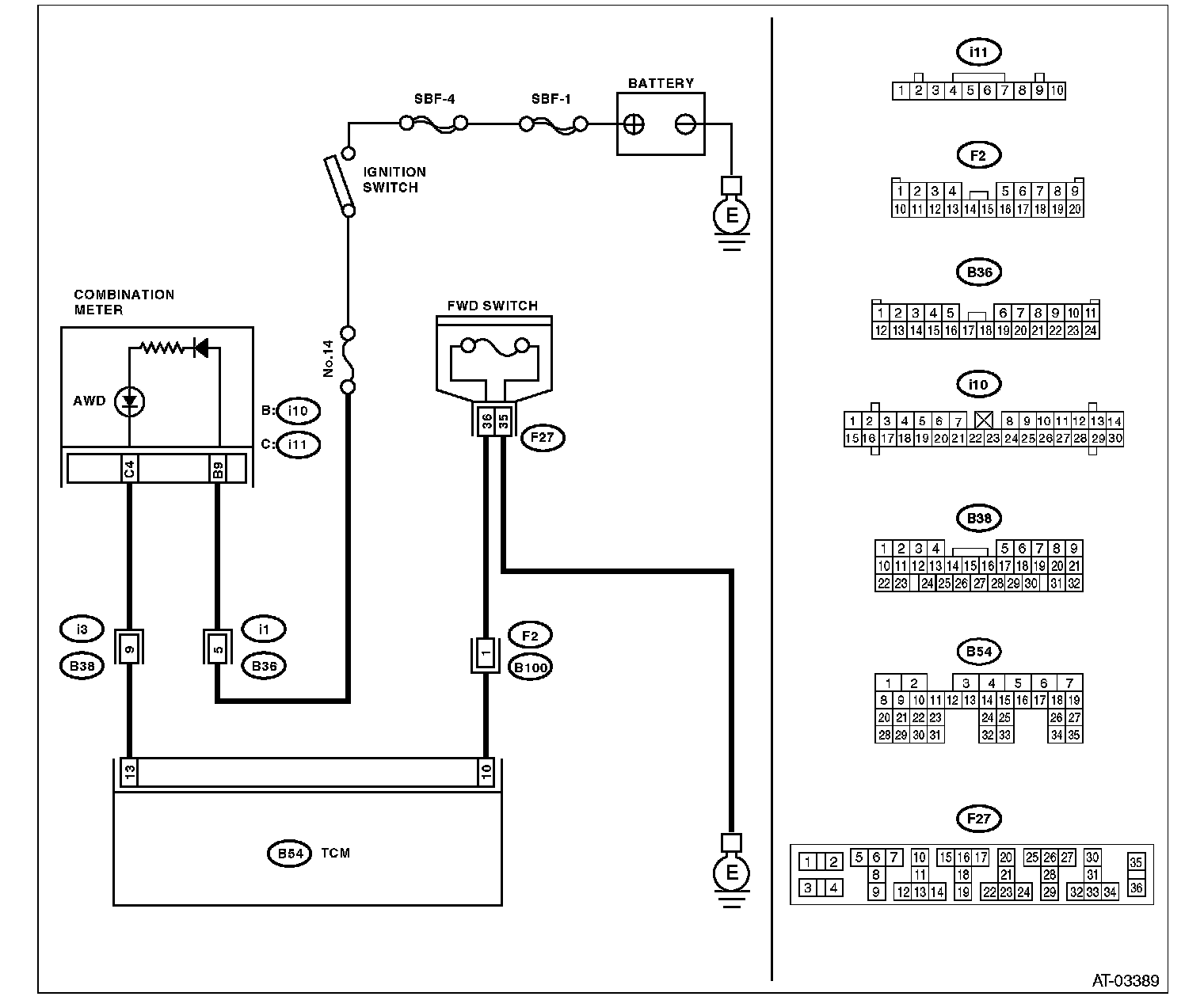
Check FWD Switch

CHECK FWD SWITCH

DIAGNOSIS:
^ LED does not come on even if FWD switch is ON.
^ FWD signal circuit is open or shorted.

WIRING DIAGRAM:




Step 1:




Step 2-Step 8:




Step 9-Step 12: