Operation CHARM: Car repair manuals for everyone.
Manuals through 2025 now available!

Our trusted friends have launched a new website named LEMON, which has newer manuals. It also contains all the CHARM manuals.

LEMON is the spiritual successor to CHARM, I recommend you try it!

Link: lemon-manuals.la or lemon-manuals.org.ua

(Some people have issue connecting. LEMON is investigating. For now, use Firefox or change your DNS server)

Or, hide this message: temporarily or permanently

Communication for Initializing Impossible

Diagnostic Procedure for Subaru Select Monitor Communication

COMMUNICATION FOR INITIALIZING IMPOSSIBLE
DIAGNOSIS: Defective harness connector
TROUBLE SYMPTOM: Subaru Select Monitor communication failure

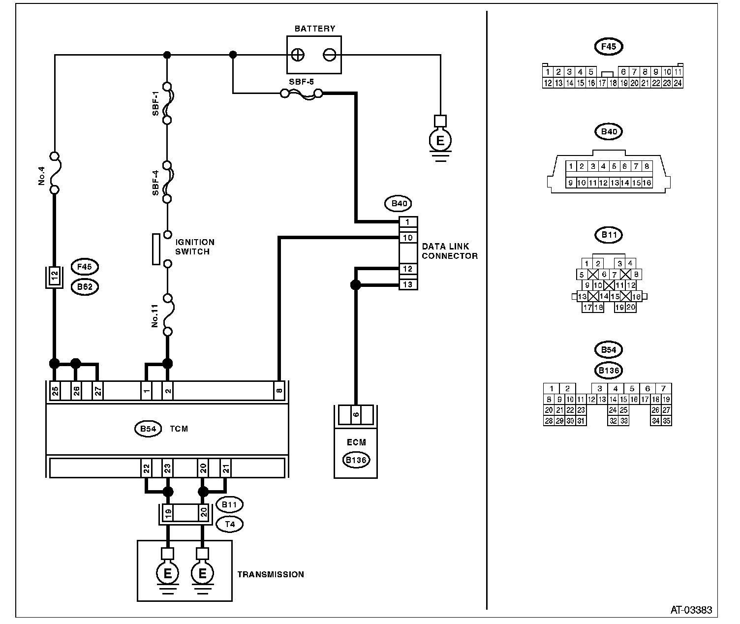
WIRING DIAGRAM:




Step 1:




Step 2-Step 8:




Step 9-Step 16:




Step 17-Step 20: