Operation CHARM: Car repair manuals for everyone.
Manuals through 2025 now available!

Our trusted friends have launched a new website named LEMON, which has newer manuals. It also contains all the CHARM manuals.

LEMON is the spiritual successor to CHARM, I recommend you try it!

Link: lemon-manuals.la or lemon-manuals.org.ua

(Some people have issue connecting. LEMON is investigating. For now, use Firefox or change your DNS server)

Or, hide this message: temporarily or permanently

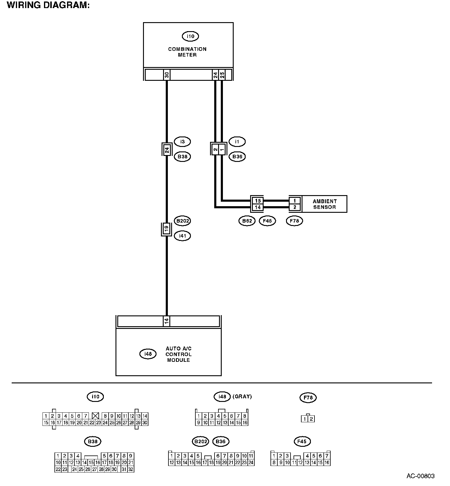
Ambient Temperature Sensor / Switch HVAC: Testing and Inspection

AMBIENT SENSOR

TROUBLE SYMPTOM:
- Fan speed is not switched when the fan speed control dial is in AUTO position.
- Malfunction related to ambient sensor is indicated in self-diagnosis.

Wiring Diagram:




WIRING DIAGRAM:

Step 1 - 3: