Operation CHARM: Car repair manuals for everyone.
Manuals through 2025 now available!

Our trusted friends have launched a new website named LEMON, which has newer manuals. It also contains all the CHARM manuals.

LEMON is the spiritual successor to CHARM, I recommend you try it!

Link: lemon-manuals.la or lemon-manuals.org.ua

(Some people have issue connecting. LEMON is investigating. For now, use Firefox or change your DNS server)

Or, hide this message: temporarily or permanently

Wiper Motor Linkage: Testing and Inspection

Front Wiper Motor and Link

INSPECTION




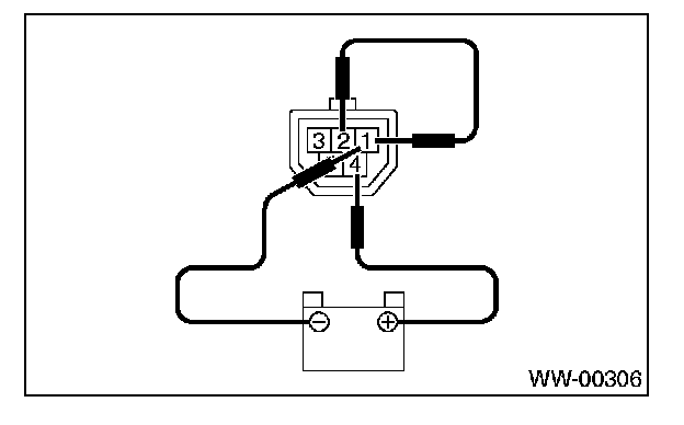
1. When the battery is connected to the terminal of connectors as shown in the figure, confirm that the motor operates at low speed.




2. When the battery is connected to the terminal of connectors as shown in the figure, confirm that the wiper motor operates at high speed.




3. Connect the battery to terminals of the connector, and remove the terminal connection with motor rotating at low speed, and stop the wiper motor in mid-operation.




4. Connect the battery and confirm that the motor stops at the automatic stop position after the motor operates at low speed again.