Operation CHARM: Car repair manuals for everyone.
Manuals through 2025 now available!

Our trusted friends have launched a new website named LEMON, which has newer manuals. It also contains all the CHARM manuals.

LEMON is the spiritual successor to CHARM, I recommend you try it!

Link: lemon-manuals.la or lemon-manuals.org.ua

(Some people have issue connecting. LEMON is investigating. For now, use Firefox or change your DNS server)

Or, hide this message: temporarily or permanently

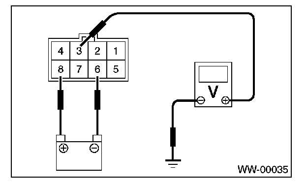
Wiper Relay: Testing and Inspection

Wiper Control Relay

INSPECTION
1. Disconnect the connector from the wiper control relay.




2. Connect the positive (+) probe from the battery to terminal 8 and the negative (-) probe to terminal 6. Connect the positive (+) probe from the voltage meter to terminal 3 and the negative (-) probe to the ground.




3. Measure the voltage when the wiper relay operates.

If operation is not as specified, replace the switch.