Torque Converter and Case
TORQUE CONVERTER AND CASE
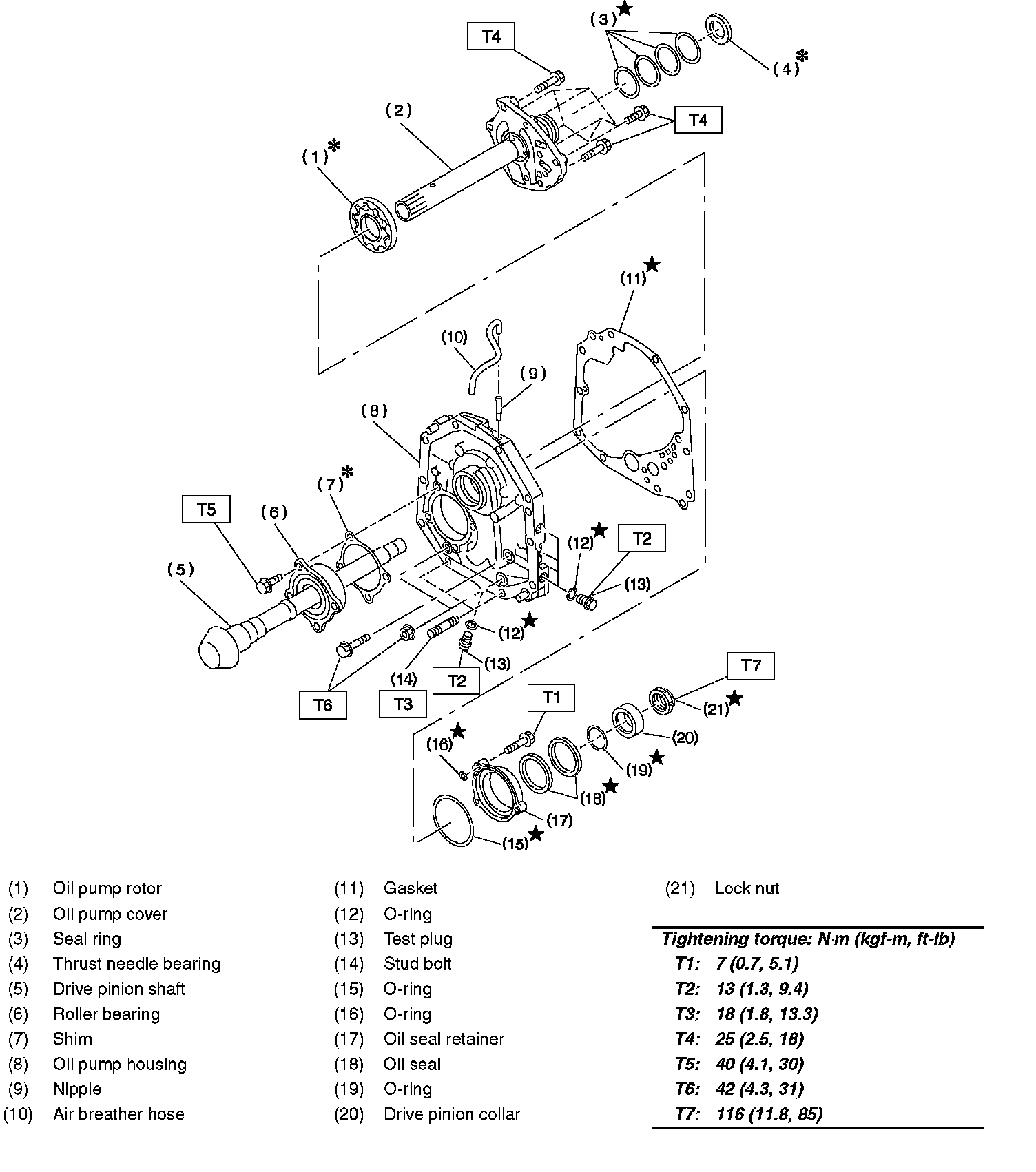
OIL PUMP
TRANSMISSION CASE AND CONTROL DEVICE
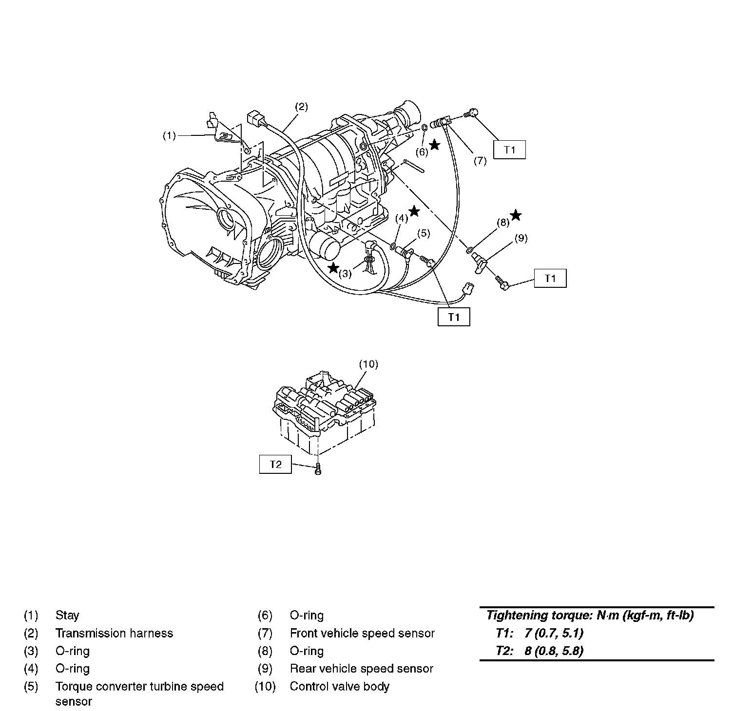
CONTROL VALVE AND HARNESS ROUTING
HIGH CLUTCH AND REVERSE CLUTCH
PLANETARY GEAR AND 2-4 BRAKE
LOW CLUTCH AND LOW & REVERSE BRAKE
REDUCTION GEAR
DIFFERENTIAL GEAR