Operation CHARM: Car repair manuals for everyone.
Manuals through 2025 now available!

Our trusted friends have launched a new website named LEMON, which has newer manuals. It also contains all the CHARM manuals.

LEMON is the spiritual successor to CHARM, I recommend you try it!

Link: lemon-manuals.la or lemon-manuals.org.ua

(Some people have issue connecting. LEMON is investigating. For now, use Firefox or change your DNS server)

Or, hide this message: temporarily or permanently

2.5L SOHC

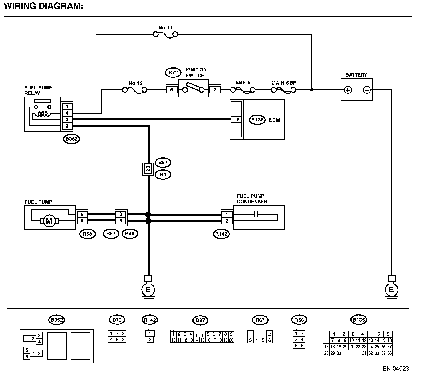
FUEL PUMP CIRCUIT

CAUTION: After repairing or replacing the defective part, perform the Clear Memory Mode and Inspection Mode.
Clearing Trouble Codes
List of Diagnostic Trouble Code (DTC)


Wiring Diagram:




Step 1 - 6:




Step 7 - 8: