Operation CHARM: Car repair manuals for everyone.
Manuals through 2025 now available!

Our trusted friends have launched a new website named LEMON, which has newer manuals. It also contains all the CHARM manuals.

LEMON is the spiritual successor to CHARM, I recommend you try it!

Link: lemon-manuals.la or lemon-manuals.org.ua

(Some people have issue connecting. LEMON is investigating. For now, use Firefox or change your DNS server)

Or, hide this message: temporarily or permanently

Cylinder Head Assembly: Service and Repair

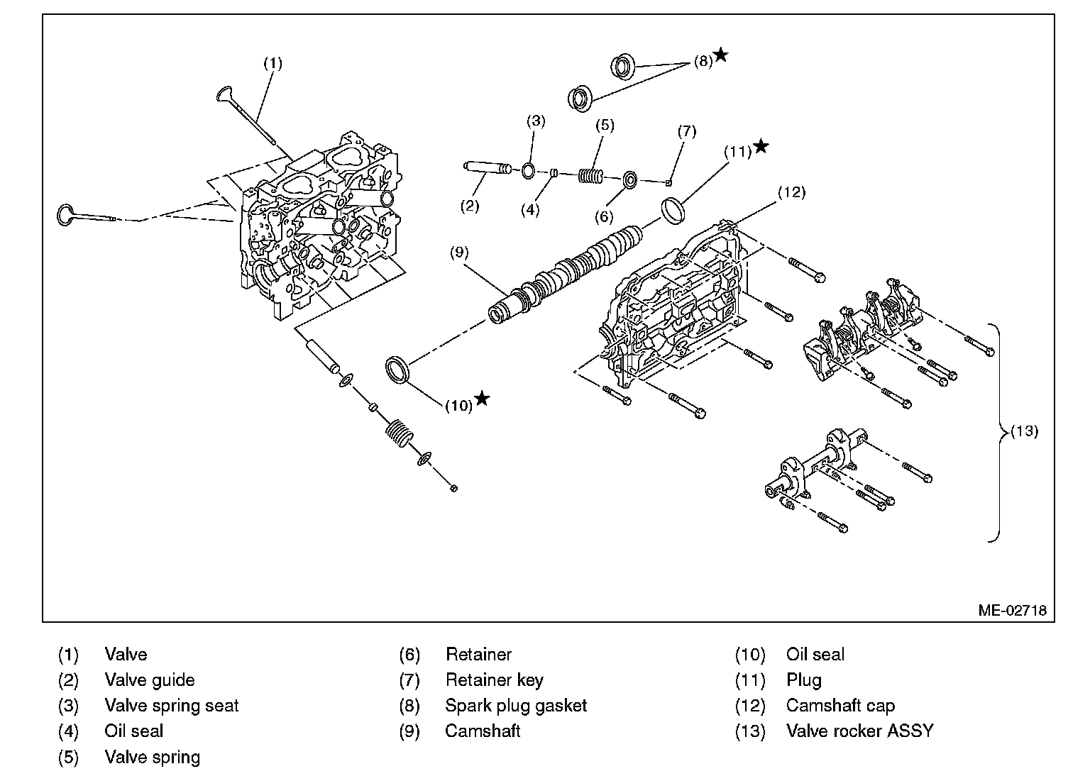
Cylinder Head

CYLINDER HEAD AND VALVE ASSEMBLY:




CYLINDER HEAD AND CAMSHAFT:





REMOVAL
1. Remove the V-belts.
2. Remove the crank pulley.
3. Remove the timing belt cover.
4. Remove the timing belt.
5. Remove the cam sprocket.
6. Remove the intake manifold.
7. Remove the bolt which installs the A/C compressor bracket on cylinder head.
8. Remove the valve rocker assembly.
9. Remove the camshaft.
10. Remove the cylinder head bolts in alphabetical sequence as shown in the figure.

NOTE: Leave bolts (a) and (c) engaged by three or four threads to prevent the cylinder head from falling.





11. While tapping the cylinder head with a plastic hammer, separate it from cylinder block.





12. Remove the bolts (a) and (c) to remove cylinder head.
13. Remove the cylinder head gasket.

CAUTION: Be careful not to scratch the mating surface of cylinder block and cylinder head.

14. Similarly, remove the right side cylinder head.

INSTALLATION
1. Install the cylinder head and gaskets on cylinder block.

CAUTION:
^ Use new cylinder head gaskets.
^ Be careful not to scratch the mating surface of cylinder block and cylinder head.

2. Tighten the cylinder head bolts.
a. Apply a thin coat of engine oil to washer and bolt thread.
b. Tighten all bolts to 29 Nm (3.0 kgf-m, 22 ft. lbs.) in alphabetical sequence. Then tighten all bolts to 69 Nm (7.0 kgf-m, 51 ft. lbs.) in alphabetical sequence.
c. Back off all the bolts by 180° in reverse order of installation, and back them off again by 180°.
d. Tighten all bolts to 42 Nm (3.9 kgf-m, 31 ft. lbs.) in alphabetical sequence.
e. Tighten all bolts by 80 to 90° in alphabetical sequence.
f. Tighten all bolts by 40 to 45° in alphabetical sequence.

CAUTION: The tightening angle of the bolt should not exceed 45°.

Further tighten the bolts (a) and (b) by 40 45°.

CAUTION: Make sure the total "re-tightening angle" of the step (6) and (7) does not exceed 90°.





3. Install the camshaft.
4. Install the valve rocker assembly.
5. Install the A/C compressor bracket on cylinder head.
6. Install the intake manifold.
7. Install the cam sprocket.
8. Install the timing belt.
9. Install the timing belt cover.
10. Install the crank pulley.
11. Install the V-belts.

DISASSEMBLY
1. Place the cylinder head on the ST.
ST 498267800 CYLINDER HEAD TABLE
2. Set the ST on valve spring. Compress the valve spring and remove the valve spring retainer key. Remove each valve and valve spring.
ST 499718000 VALVE SPRING REMOVER

NOTE:
^ Keep all the removed parts in order for re-installing in their original positions.
^ Mark each valve to prevent confusion.
^ Pay careful attention not to damage the lips of intake valve oil seals and exhaust valve oil seals.





ASSEMBLY





1. Installation of valve spring and valve:
a. Place the cylinder head on the ST.
ST 498267800 CYLINDER HEAD TABLE
b. Coat the stem of each valve with engine oil and insert the valve into valve guide.

CAUTION: Use extreme care not to damage the oil seal lips when inserting the valve into valve guide.

c. Install the valve spring and retainer.

NOTE: Be sure to install the valve spring with its close-coiled end facing the seat on cylinder head.

d. Set the ST on valve spring.

ST 499718000 VALVE SPRING REMOVER:





e. Compress the valve spring and fit the valve spring retainer key.





f. After installing, tap the valve spring retainers lightly with a plastic hammer for better seating.

INSPECTION

CYLINDER HEAD
1. Make sure that no crack or other damage do not exists. In addition to visual inspection, inspect important areas using liquid penetrant tester.
Also make sure the gasket installing surface shows no trace of gas and water leaks.
2. Place the cylinder head on the ST.
ST 498267800 CYLINDER HEAD TABLE
3. Measure the warping of the cylinder head surface that mates with crankcase using a straight edge and thickness gauge.
If the warping exceeds the limit, regrind the surface with a surface grinder.
Warping limit. 0.03 mm (0.0012 inch)
Grinding limit. 0.1 mm (0. 004 inch)
Standard height of cylinder head. 97.5 mm (3.839 inch)

NOTE: Uneven torque for the cylinder head bolts can cause warping. When reassembling, pay special attention to the torque so as to tighten evenly.





VALVE SEAT
Inspect the intake and exhaust valve seats, and correct the contact surfaces with a valve seat cutter if they are defective or when valve guides are replaced.
Valve seat width W.
Standard.
Intake (A) 0.8 - 1.4 mm (0.03 - 0.055 inch)
Exhaust (B) 1.2 - 1.8 mm (0. 04 7 - 0.071 inch)
Service limit.
Intake (A) 1.7 mm (0. 067 inch)
Exhaust (B) 2.2 mm (0. 087 inch)








VALVE GUIDE
1. Check the clearance between valve guide and stem. The clearance can be checked by measuring respectively the outer diameter of valve stem with a micrometer and the inner diameter of valve guide with a caliper gauge.
Clearance between the valve guide and valve stem:
Standard.
Intake 0.035 - 0.062 mm (0.0014 - 0.0024 inch)
Exhaust 0.040 - 0.067 mm (0.0016 - 0.0026 inch)
Service limit: 0.15 mm (0.0059 inch)








2. If the clearance between valve guide and stem exceeds the limit, replace the valve guide or valve itself whichever shows greater amount of wear. See the following procedure for valve guide replacement.
Valve guide inner diameter. 6.000 - 6.012 mm (0.2362 - 0.2367 inch)
Valve stem outer diameters: Intake 5.950 - 5.965 mm (0.2343 - 0.2348 inch)
Exhaust 5.945 - 5.960 mm (0.2341 - 0.2346 inch)
a. Place the cylinder head on ST1 with the combustion chamber upward so that valve guides fit the holes in ST1.
b. Insert the ST2 into valve guide and press it down to remove the valve guide.

ST1 498267800 CYLINDER HEAD TABLE, ST2 499767200 VALVE GUIDE REMOVER:





c. Turn the cylinder head upside down and place the ST as shown in the figure.

Intake side ST 499767700 VALVE GUIDE ADJUSTER, Exhaust side ST 499767800 VALVE GUIDE ADJUSTER:





d. Before installing a new valve guide, make sure that neither scratches nor damages exist on the inner surface of valve guide holes in cylinder head.
e. Put a new valve guide, coated with sufficient oil, in cylinder, and insert the ST1 into valve guide. Press in until the valve guide upper end is flush with the upper surface of ST2.

ST1 499767200 VALVE GUIDE REMOVER Intake side, ST2 499767700 VALVE GUIDE ADJUSTER Exhaust side, ST2 499767800 VALVE GUIDE ADJUSTER:





f. Check the valve guide protrusion.
Valve guide protrusion L:
Intake 20.0 - 21.0 mm (0.787 - 0.827 inch)
Exhaust 16.5 - 17.5 mm (0.650 - 0.689 inch)





g. Ream the inside of valve guide using ST. Put the reamer in valve guide, and rotate the reamer slowly clockwise while pushing it lightly. Bring the reamer back while rotating it clockwise. After reaming, clean the valve guide to remove chips.

CAUTION:
^ Apply engine oil to the reamer when reaming.
^ If the inner surface of the valve guide is torn, the edge of the reamer should be slightly ground with an oil stone.
^ If the inner surface of valve guide becomes lustrous and the reamer does not chip, use a new reamer or remedy the reamer.

ST 499767400 VALVE GUIDE REAMER:





h. Recheck the contact condition between valve and valve seat after replacing the valve guide.

INTAKE AND EXHAUST VALVE
1. Inspect the flange and stem of valve, and replace if damaged, worn, or deformed, or if H is outside of the specified limit. H.
Intake
Standard. 0.8 - 1.2 mm (0.03 - 0.047 inch)
Limit. 0.6 mm (0.024 inch)
Exhaust
Standard. 1.0 - 1.4 mm (0.039 - 0.055 inch)
Limit. 0.6 mm (0.024 inch)
Valve overall length:
Intake 120.6 mm (4.75 inch)
Exhaust 121.7 mm (4.79 inch)





2. Put a small amount of grinding compound on the seat surface, and lap the valve seat.

VALVE SPRING
1. Check the valve springs for damage, free length, and tension. Replace the valve spring if it is not within the standard value presented in the table.
2. To measure the squareness of the valve spring, stand the spring on a surface plate and measure its deflection at the top of spring using a try square.








INTAKE AND EXHAUST VALVE OIL SEAL
In the following case, pinch and remove the oil seal from valve using pliers, and then replace it with a new one.
^ When the lip is damaged.
^ When the spring is out of the specified position.
^ When readjusting the surfaces of intake valve and valve sheet.
^ When replacing the intake valve guide.

1. Place the cylinder head on ST1.
2. Using the ST2, press-fit the oil seal.

CAUTION:
^ Apply engine oil to oil seal before press-fitting.
^ When press-fitting the oil seal, do not use a hammer or strike in.
^ Differentiate between the intake valve oil seal and exhaust valve oil seal by noting their difference in color.

Color of rubber part.
Intake [Gray]
Exhaust [Green]

ST1 498267800 CYLINDER HEAD TABLE, ST2 498857100 VALVE OIL SEAL GUIDE: