Operation CHARM: Car repair manuals for everyone.
Manuals through 2025 now available!

Our trusted friends have launched a new website named LEMON, which has newer manuals. It also contains all the CHARM manuals.

LEMON is the spiritual successor to CHARM, I recommend you try it!

Link: lemon-manuals.la or lemon-manuals.org.ua

(Some people have issue connecting. LEMON is investigating. For now, use Firefox or change your DNS server)

Or, hide this message: temporarily or permanently

Front ABS Wheel Speed Sensor

Front ABS Wheel Speed Sensor





REMOVAL
1) Disconnect the ground cable from the battery.
2) Disconnect the ABS wheel speed sensor connector located next to the front strut mounting house in the engine compartment.
3) Remove the bolts which secure the sensor harness to the strut.





4) Remove the bolts which secure the sensor harness to the body.





5) Remove the bolts which secure front ABS wheel speed sensor to the housing, and remove the front ABS wheel speed sensor.

CAUTION:
^ Be careful not to damage the pole piece and the face of the teeth located at tip of the sensor during removal.
^ Do not pull on the sensor harness during removal.






INSTALLATION
1) Temporarily install the front ABS wheel speed sensor on the housing.

CAUTION: Be careful not to hit the ABS wheel speed sensor pole piece and tone wheel against adjacent metal parts during installation.





2) Install the front ABS wheel speed sensor on the strut and the wheel apron bracket.
Tightening torque: 33 N-m (3.4 kgf-m, 24.6 ft-lb)





3) Check the clearance of the sensor.
If clearance is outside of the standard value, readjust by using the spacer (Part No. 26755AA000).
ABS wheel speed sensor gap standard value: 0.3 - 0.8 mm (0.012 - 0.031 in)
Tightening torque: 33 N-m (3.4 kgf-m, 24.6 ft-lb)





NOTE: Check the identification (mark) on the harness to make sure there is no warpage. (RH: Yellow green, LH: Pink)

4) After confirmation of the ABS wheel speed sensor clearance, connect the connector to the ABS wheel speed sensor.
5) Connect the ground cable to the battery.

INSPECTION

ABS WHEEL SPEED SENSOR
1) Check the pole piece of the ABS wheel speed sensor for foreign particles or damage. If necessary, clean the pole piece or replace the ABS wheel speed sensor.
2) Measure the ABS wheel speed sensor resistance.
If resistance is outside the standard value, replace with a new ABS wheel speed sensor.





NOTE: Check the ABS wheel speed sensor cable for discontinuity. If necessary, replace with a new part.

SENSOR GAP
1) Measure the distance "A" between the ABS wheel speed sensor surface and sensor pole face.





2) Measure the distance "B" between the surface where the front axle housing meets the ABS wheel speed sensor, and the tone wheel.

NOTE: Measure so that the gauge touches the apex of the tone wheel teeth.





3) Find the gap between the ABS wheel speed sensor pole face and the surface of the tone wheel teeth by entering and calculating the measured values in the formula below.
ABS wheel speed sensor gap = B - A
ABS wheel speed sensor gap standard value: 0.3 - 0.8 mm (0.012 - 0.031 in)

NOTE: If clearance is outside of the standard value, readjust by using the spacer (Part No. 26755AA000).

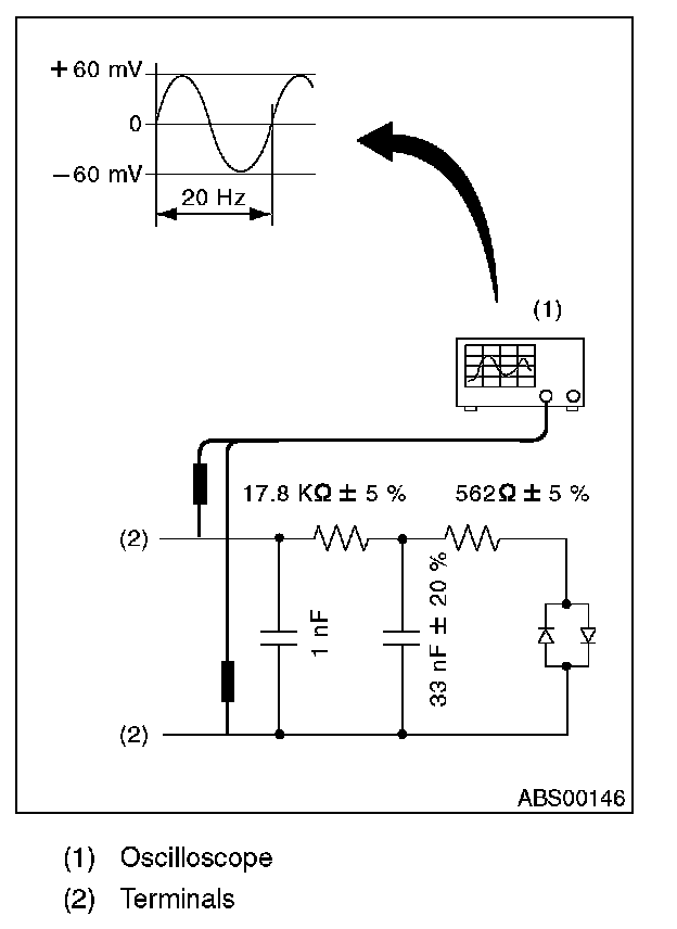
OUTPUT VOLTAGE
Output voltage can be checked by the following method. Install a resistor and condenser, then rotate the wheel about 2.75 km/h (2 MPH) or equivalent.
Standard value: of output voltage: 0.12 - 1 V (at 20 Hz)

NOTE: Regarding terminal numbers, refer to ABS WHEEL SPEED SENSOR.





ADJUSTMENT
Adjust the gap using spacers (Part No. 26755AA000).