Operation CHARM: Car repair manuals for everyone.
Manuals through 2025 now available!

Our trusted friends have launched a new website named LEMON, which has newer manuals. It also contains all the CHARM manuals.

LEMON is the spiritual successor to CHARM, I recommend you try it!

Link: lemon-manuals.la or lemon-manuals.org.ua

(Some people have issue connecting. LEMON is investigating. For now, use Firefox or change your DNS server)

Or, hide this message: temporarily or permanently

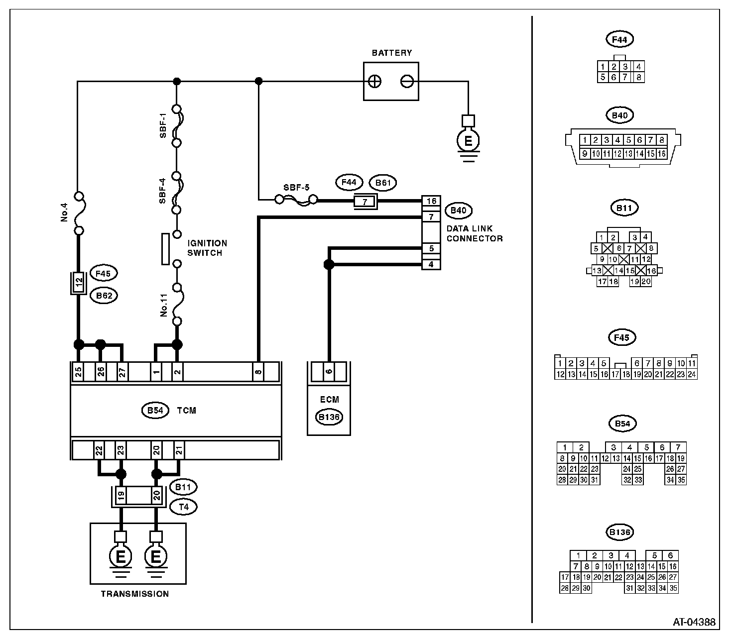
Communication for Initializing Impossible

COMMUNICATION FOR INITIALIZING IMPOSSIBLE

NOTE: If the AT OIL TEMP warning light turns on when the Subaru Select Monitor or general scan tool is connected, perform the following procedures.

1. Disconnect the Subaru Select Monitor or general scan tool from the vehicle.
2. Repeat the ignition switch ON-OFF cycle three times.
3. Turn the ignition switch to ON.
If the AT OIL TEMP warning light turns off, the Subaru Select Monitor or general scan tool may be faulty. Connect a different Subaru Select Monitor or general scan tool, and if AT OIL TEMP warning light remains off, delete the DTC.

DIAGNOSIS:
Defective harness connector

TROUBLE SYMPTOM:
Subaru Select Monitor communication failure

WIRING DIAGRAM:




Step 1-Step 8:




Step 9-Step 16:




Step 17-Step 20: