Operation CHARM: Car repair manuals for everyone.
Manuals through 2025 now available!

Our trusted friends have launched a new website named LEMON, which has newer manuals. It also contains all the CHARM manuals.

LEMON is the spiritual successor to CHARM, I recommend you try it!

Link: lemon-manuals.la or lemon-manuals.org.ua

(Some people have issue connecting. LEMON is investigating. For now, use Firefox or change your DNS server)

Or, hide this message: temporarily or permanently

Computers and Control Systems: Locations

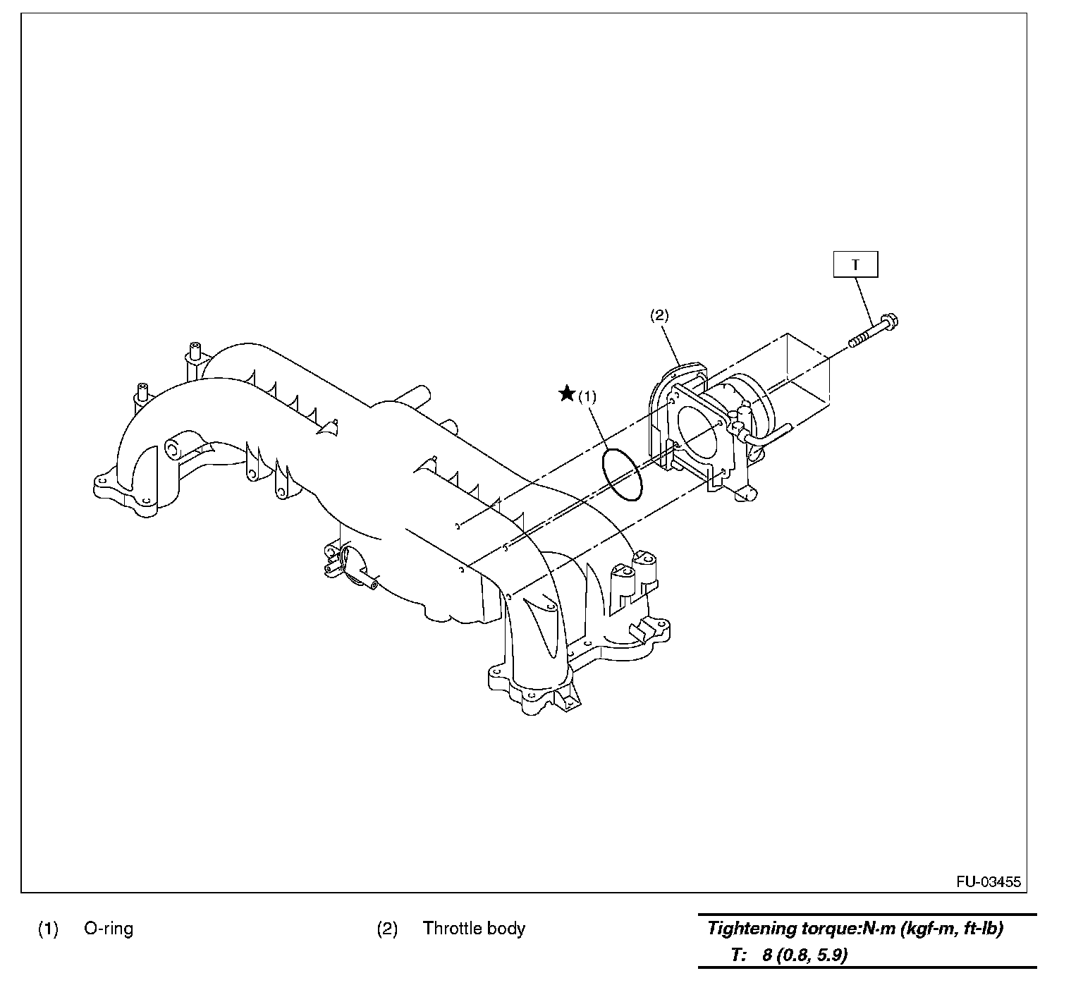
AIR INTAKE SYSTEM

Air Intake System:






CRANKSHAFT POSITION, CAMSHAFT POSITION AND KNOCK SENSORS

Crankshaft Position, Camshaft Position And Knock Sensors:






ENGINE Control module

Engine - Control Module:






Sensor

Sensor (Part 1):




Sensor (Part 2):




Sensor (Part 3):




Sensor (Part 4):






Solenoid valve, actuator, emission control system parts and ignition system parts

Solenoid valve, actuator, emission control system parts and ignition system parts (Part 1):




Solenoid valve, actuator, emission control system parts and ignition system parts (Part 2):




Solenoid valve, actuator, emission control system parts and ignition system parts (Part 3):