Operation CHARM: Car repair manuals for everyone.
Manuals through 2025 now available!

Our trusted friends have launched a new website named LEMON, which has newer manuals. It also contains all the CHARM manuals.

LEMON is the spiritual successor to CHARM, I recommend you try it!

Link: lemon-manuals.la or lemon-manuals.org.ua

(Some people have issue connecting. LEMON is investigating. For now, use Firefox or change your DNS server)

Or, hide this message: temporarily or permanently

Diagnostic Procedure Without Diagnostic Trouble Code (DTC)

Diagnostic Procedure without Diagnostic Trouble Code (DTC)

CHECK FWD SWITCH

DIAGNOSIS:
^ LED does not illuminate even with the fuse installed on FWD fuse holder.
^ FWD signal circuit is open or shorted.

WIRING DIAGRAM:




Step 1-Step 10:




Step 11:





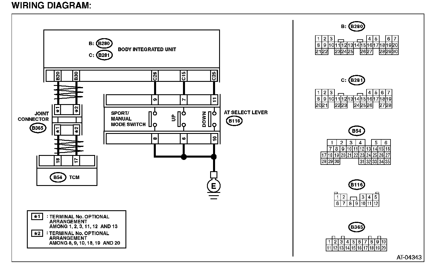
CHECK SPORT SHIFT SWITCH

DIAGNOSIS:
Input signal circuit of SPORT/manual mode switch is open or shorted.

TROUBLE SYMPTOM:
Does not shift on manual mode.

WIRING DIAGRAM:




Step 1-Step 7:




Step 8-Step 15:




Step 16-Step 21:





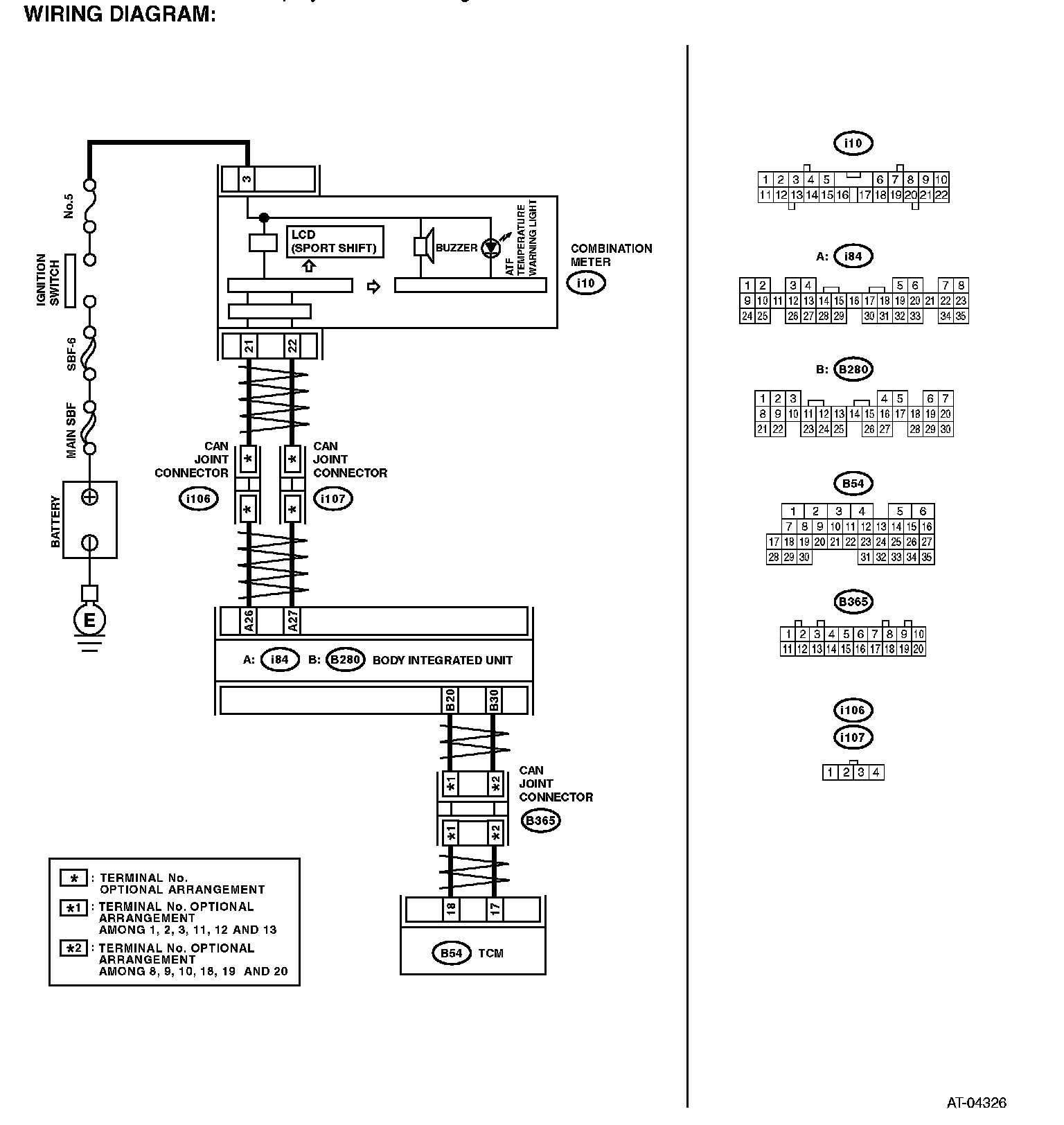
CHECK SPORT SHIFT INDICATOR

DIAGNOSIS:
Output signal circuit of SPORT shift indicator is open or shorted.

TROUBLE SYMPTOM:
^ SPORT shift indicator does not display or remains displayed.
^ SPORT shift indicator display does not change.

WIRING DIAGRAM:




Step 1-Step 5:





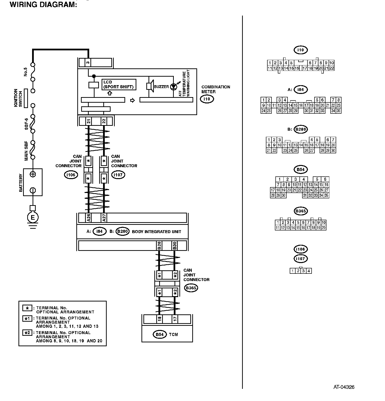
CHECK BUZZER

DIAGNOSIS:
Output signal circuit of buzzer is open or shorted.

TROUBLE SYMPTOM:
Buzzer remains beeping.

WIRING DIAGRAM:




Step 1-Step 2: