Operation CHARM: Car repair manuals for everyone.
Manuals through 2025 now available!

Our trusted friends have launched a new website named LEMON, which has newer manuals. It also contains all the CHARM manuals.

LEMON is the spiritual successor to CHARM, I recommend you try it!

Link: lemon-manuals.la or lemon-manuals.org.ua

(Some people have issue connecting. LEMON is investigating. For now, use Firefox or change your DNS server)

Or, hide this message: temporarily or permanently

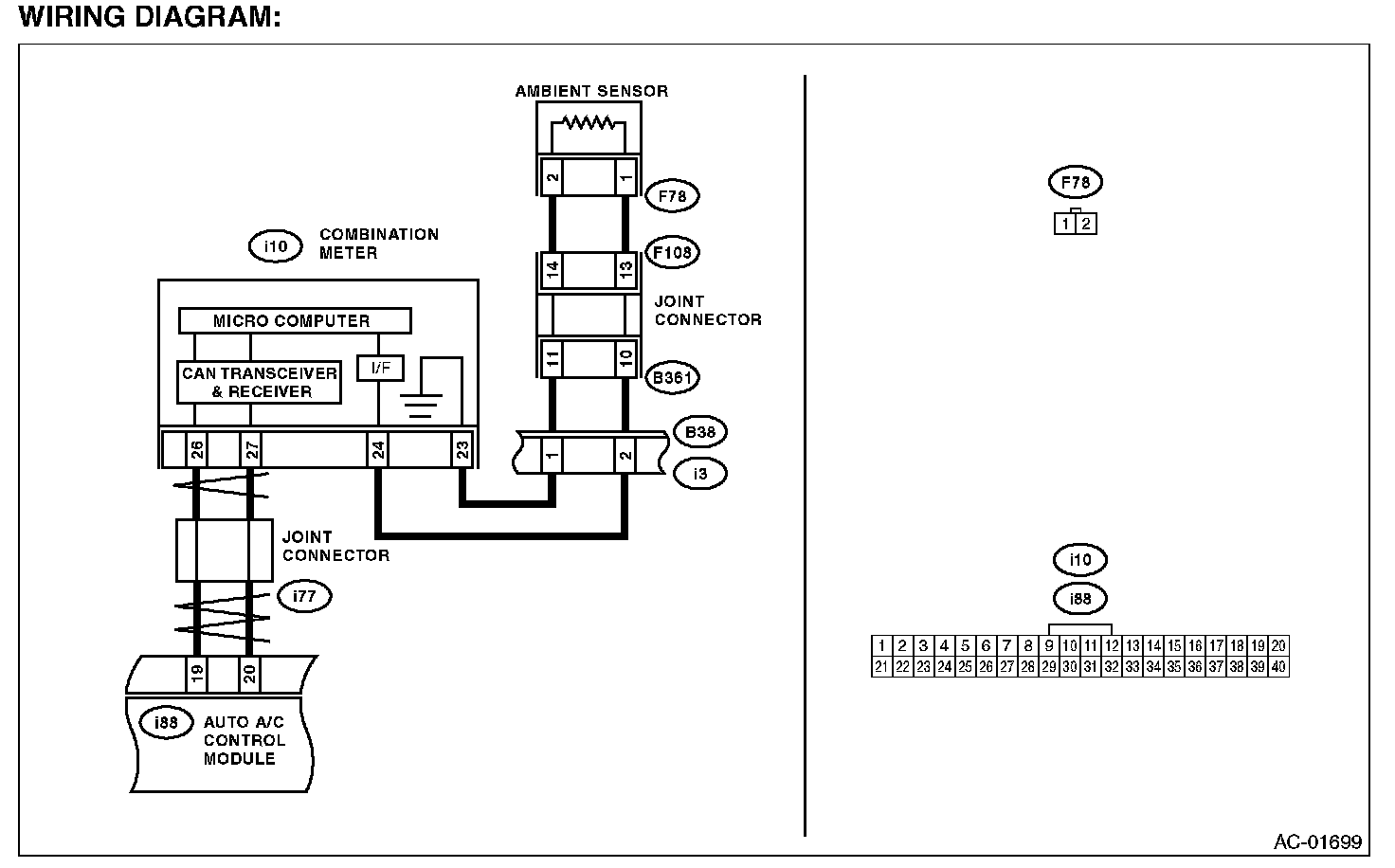
Ambient Sensor (Auto A/C Model)

AMBIENT SENSOR

INSPECTION

TROUBLE SYMPTOM
- Fan speed is not switched when the fan speed control dial is in AUTO position.
- Failure related to the ambient sensor is indicated in self-diagnosis.

WIRING DIAGRAM

Wiring Diagram:






Step 1-2:




Step 3-8: