Operation CHARM: Car repair manuals for everyone.
Manuals through 2025 now available!

Our trusted friends have launched a new website named LEMON, which has newer manuals. It also contains all the CHARM manuals.

LEMON is the spiritual successor to CHARM, I recommend you try it!

Link: lemon-manuals.la or lemon-manuals.org.ua

(Some people have issue connecting. LEMON is investigating. For now, use Firefox or change your DNS server)

Or, hide this message: temporarily or permanently

Air Flow Meter/Sensor: Testing and Inspection

Mass Air Flow and Intake Air Temperature Sensor

INSPECTION

1. CHECK THE MASS AIR FLOW SENSOR UNIT
1. Disconnect the ground cable from battery.






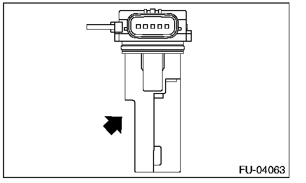
2. Remove the mass air flow and intake air temperature sensor.
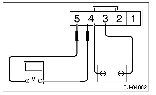
3. Connect the battery positive terminal to terminal No.3 and the battery ground terminal to terminal No.4, the circuit tester positive terminal to terminal No.5 and the circuit tester ground terminal to terminal No.4.






4. Check the voltage changes when air is blown to the mass air flow sensor unit in arrow direction.






2. CHECK THE INTAKE AIR TEMPERATURE SENSOR UNIT
Measure the resistance between intake air temperature sensor terminals.






3. OTHER INSPECTIONS
Check the mass air flow and intake air temperature sensor for damage or dirt.