Operation CHARM: Car repair manuals for everyone.
Manuals through 2025 now available!

Our trusted friends have launched a new website named LEMON, which has newer manuals. It also contains all the CHARM manuals.

LEMON is the spiritual successor to CHARM, I recommend you try it!

Link: lemon-manuals.la or lemon-manuals.org.ua

(Some people have issue connecting. LEMON is investigating. For now, use Firefox or change your DNS server)

Or, hide this message: temporarily or permanently

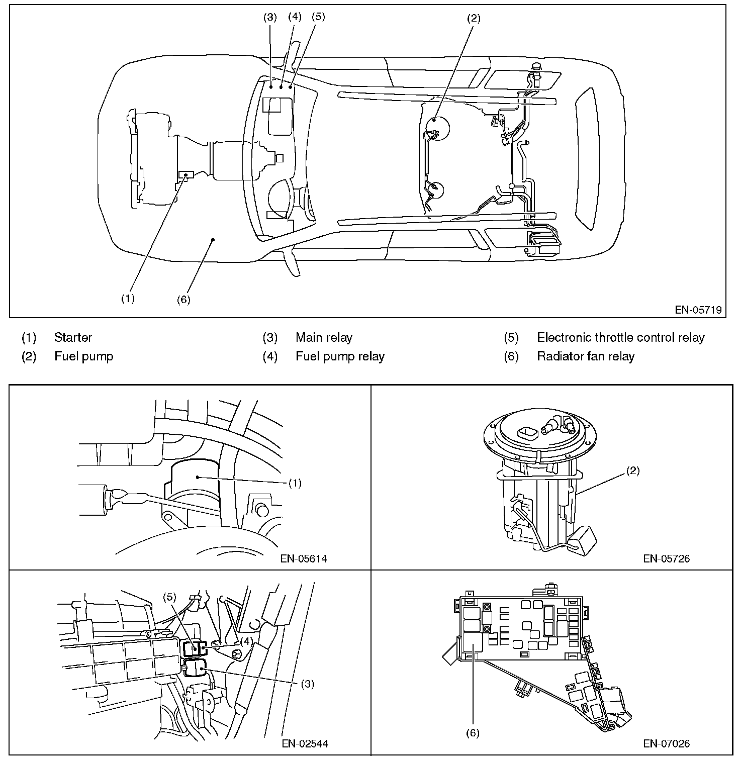
Computers and Control Systems: Locations

Air Intake System:



Crankshaft Position, Camshaft Position And Knock Sensors:



Control Module:



Sensor (Part 1):



Sensor (Part 2):



Sensor (Part 3):



Sensor (Part 4):



Solenoid Valve, Actuator, Emission Control System Parts And Ignition System Parts (Part 1):



Solenoid Valve, Actuator, Emission Control System Parts And Ignition System Parts (Part 2):



Solenoid Valve, Actuator, Emission Control System Parts And Ignition System Parts (Part 3):



Solenoid Valve, Actuator, Emission Control System Parts And Ignition System Parts (Part 4):