Operation CHARM: Car repair manuals for everyone.
Manuals through 2025 now available!

Our trusted friends have launched a new website named LEMON, which has newer manuals. It also contains all the CHARM manuals.

LEMON is the spiritual successor to CHARM, I recommend you try it!

Link: lemon-manuals.la or lemon-manuals.org.ua

(Some people have issue connecting. LEMON is investigating. For now, use Firefox or change your DNS server)

Or, hide this message: temporarily or permanently

Compressor HVAC: Service and Repair

Compressor

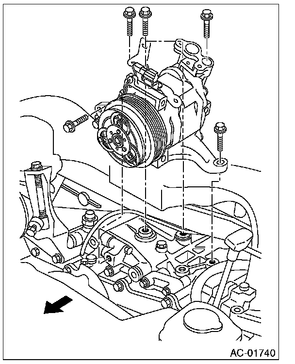
REMOVAL

1. Perform compressor oil return operation.
2. Turn the A/C switch to OFF and stop the engine.
3. Using the refrigerant recovery system, discharge refrigerant.
4. Disconnect the ground cable from battery.
5. Remove the V-belts.
6. Remove the generator.
7. Remove the bolt and remove the low-pressure hose and high-pressure hose.






8. Disconnect the compressor harness from body harness.
9. Remove the bolts and remove the compressor bracket.






10. Remove the bolts, then remove the bracket from the compressor.






INSTALLATION

1. Install in the reverse order of removal.
2. Replace the O-rings on low-/high-pressure hoses with new parts, then apply compressor oil.
3. After replacing the compressor, adjust the amount of compressor oil.
4. Charge refrigerant.

AIR CONDITIONING UNIT

Tightening torque: N.m (kgf.m, ft.lb)
T1: 7.5 (0.76, 5.5)
T2: 10 (1.0, 7.4)


COMPRESSOR

Tightening torque: N.m (kgf.m, ft.lb)
T1: 26.5 (2.7, 19.5)
T2: 36 (3.7, 26.6)