Operation CHARM: Car repair manuals for everyone.
Manuals through 2025 now available!

Our trusted friends have launched a new website named LEMON, which has newer manuals. It also contains all the CHARM manuals.

LEMON is the spiritual successor to CHARM, I recommend you try it!

Link: lemon-manuals.la or lemon-manuals.org.ua

(Some people have issue connecting. LEMON is investigating. For now, use Firefox or change your DNS server)

Or, hide this message: temporarily or permanently

Front Exhaust Pipe

Front Exhaust Pipe

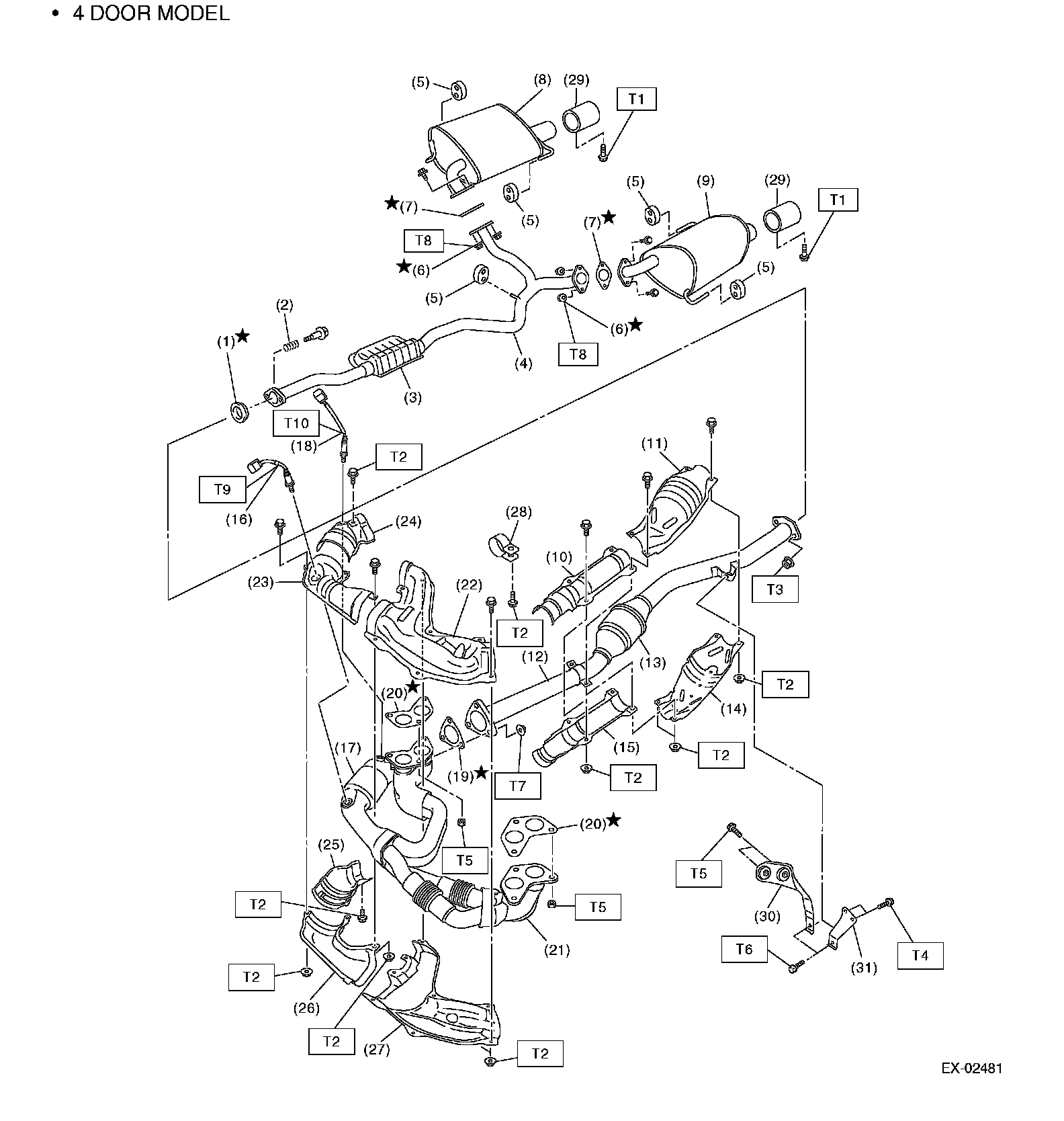
- 4 DOOR MODEL








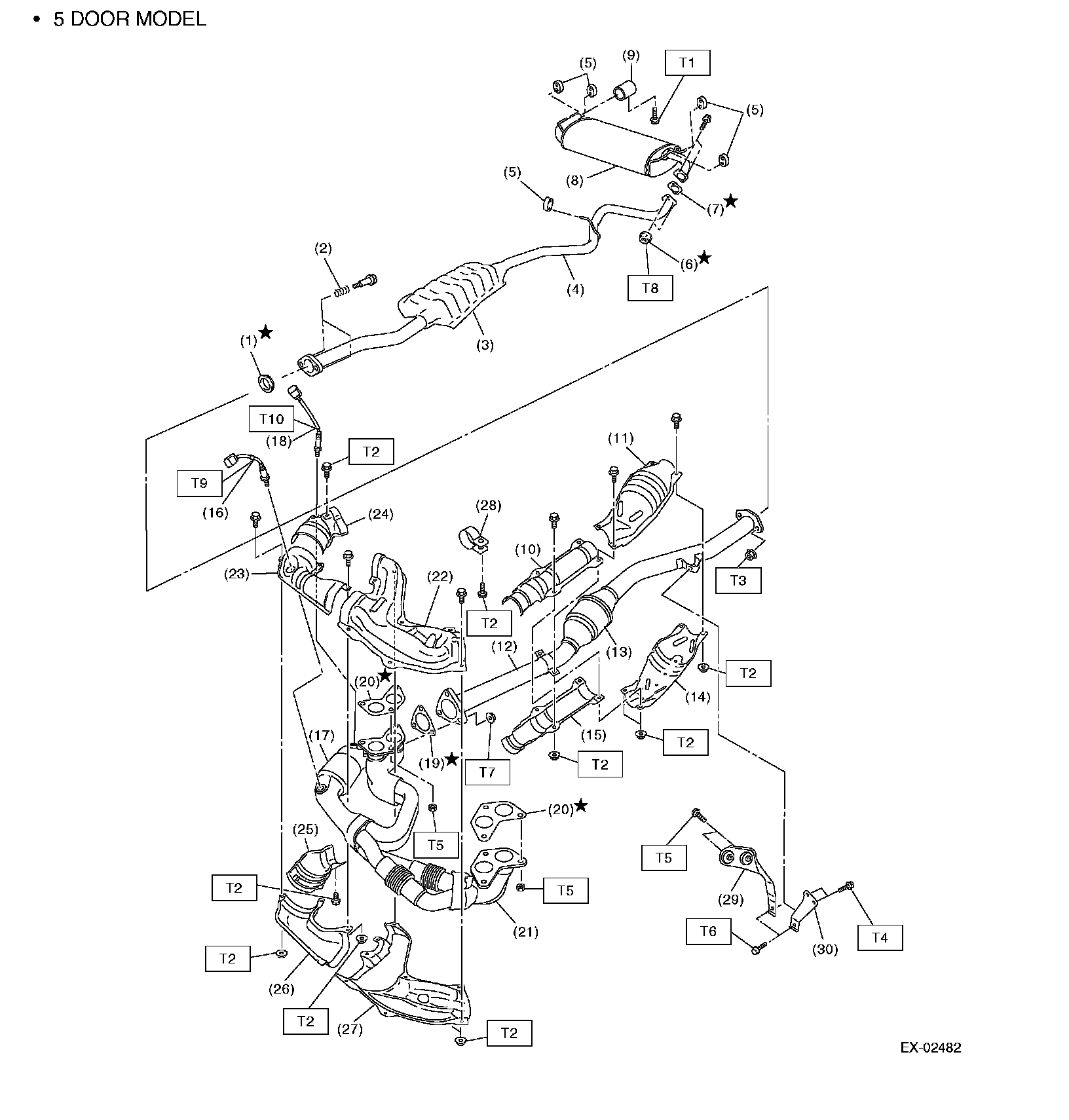
- 5 DOOR MODEL








REMOVAL

CAUTION:
Vehicle components are extremely hot after driving. Be wary of receiving burns from heated parts.


1) Set the vehicle on a lift.
2) Disconnect the ground cable from battery.





3) Remove the air intake duct.
4) Disconnect the front oxygen (A/F) sensor connector (A) and rear oxygen sensor connector (B) and remove the clip (C) fastening the harness.





5) Lift up the vehicle.
6) Remove the under cover.
7) Remove the center exhaust pipe from rear exhaust pipe.





8) Remove the nuts which hold front exhaust pipe onto cylinder heads.

CAUTION:
Be careful not to drop the front and center exhaust pipe assembly.






9) Remove the bolt which holds center exhaust pipe to hanger bracket.





10) Remove the front exhaust pipe and center exhaust pipe from vehicle as a unit.

CAUTION:
- The front and center exhaust pipe assemblies are very heavy. Be careful not to drop the exhaust pipes when removing.
- After removing the front and center exhaust pipe assemblies, do not pull on the rear exhaust pipe with excessive force.


11) Remove the front exhaust pipe from center exhaust pipe.





12) Remove the front oxygen (A/F) sensor and rear oxygen sensor from front exhaust pipe.

INSTALLATION
1) Install the front oxygen (A/F) sensor and rear oxygen sensor to the front exhaust pipe.
2) Install the front exhaust pipe to center exhaust pipe.

NOTE:
Use a new gasket.

Tightening torque:
40 Nm (4.1 kgf-m, 29.5 ft-lb)





3) Install the front and center exhaust pipe to the vehicle as a unit.

NOTE:
Use a new gasket.

4) Temporarily tighten the nuts which hold front exhaust pipe to cylinder heads.





5) Install the center exhaust pipe to rear exhaust pipe.

NOTE:
Use a new gasket.

Tightening torque:
18 Nm (1.8 kgf-m, 13.3 ft-lb)





6) Tighten the bolts which hold center exhaust pipe to hanger bracket.
Tightening torque:
35 Nm (3.6 kgf-m, 25.8 ft-lb)





7) Tighten the nuts which hold front exhaust pipe to cylinder heads.
Tightening torque:
30 Nm (3.1 kgf-m, 22.1 ft-lb)





8) Install the under cover.
9) Lower the vehicle.
10) Connect the front oxygen (A/F) sensor connector (A) and rear oxygen sensor connector (B), and fasten the harness with the clip (C).





11) Install the air intake duct.
12) Connect the ground cable to battery.





INSPECTION
1) Check the connections and welds for exhaust leaks.
2) Make sure there are no holes or rusting.