Operation CHARM
: Car repair manuals for everyone.
Home
>>
Subaru
>>
2009
>>
Outback Sport F4-2.5L SOHC
>>
Repair and Diagnosis
>>
Powertrain Management
>>
Ignition System
>>
Testing and Inspection
Manuals through 2025 now available!
Our trusted friends have launched a new website named LEMON, which has newer manuals. It also contains all the CHARM manuals.
LEMON is the spiritual successor to CHARM, I recommend you try it!
Link:
lemon-manuals.la
or
lemon-manuals.org.ua
(Some people have issue connecting. LEMON is investigating. For now, use Firefox or change your DNS server)
Or, hide this message:
temporarily
or
permanently
Ignition System: Testing and Inspection
IGNITION CONTROL SYSTEM
CAUTION: After servicing or replacing faulty parts, perform Clear Memory Mode.
Clear Memory Mode
Inspection Mode.
Preparation For the Inspection Mode
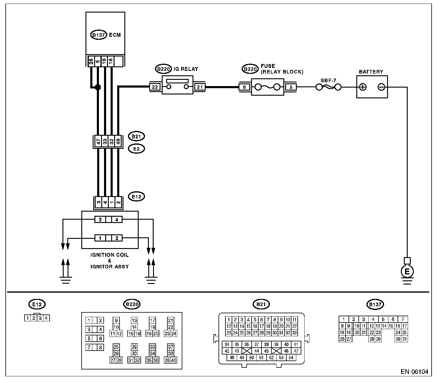
WIRING DIAGRAM:
Wiring Diagram:
Step 1-5:
Step 6-7: