Operation CHARM: Car repair manuals for everyone.
Manuals through 2025 now available!

Our trusted friends have launched a new website named LEMON, which has newer manuals. It also contains all the CHARM manuals.

LEMON is the spiritual successor to CHARM, I recommend you try it!

Link: lemon-manuals.la or lemon-manuals.org.ua

(Some people have issue connecting. LEMON is investigating. For now, use Firefox or change your DNS server)

Or, hide this message: temporarily or permanently

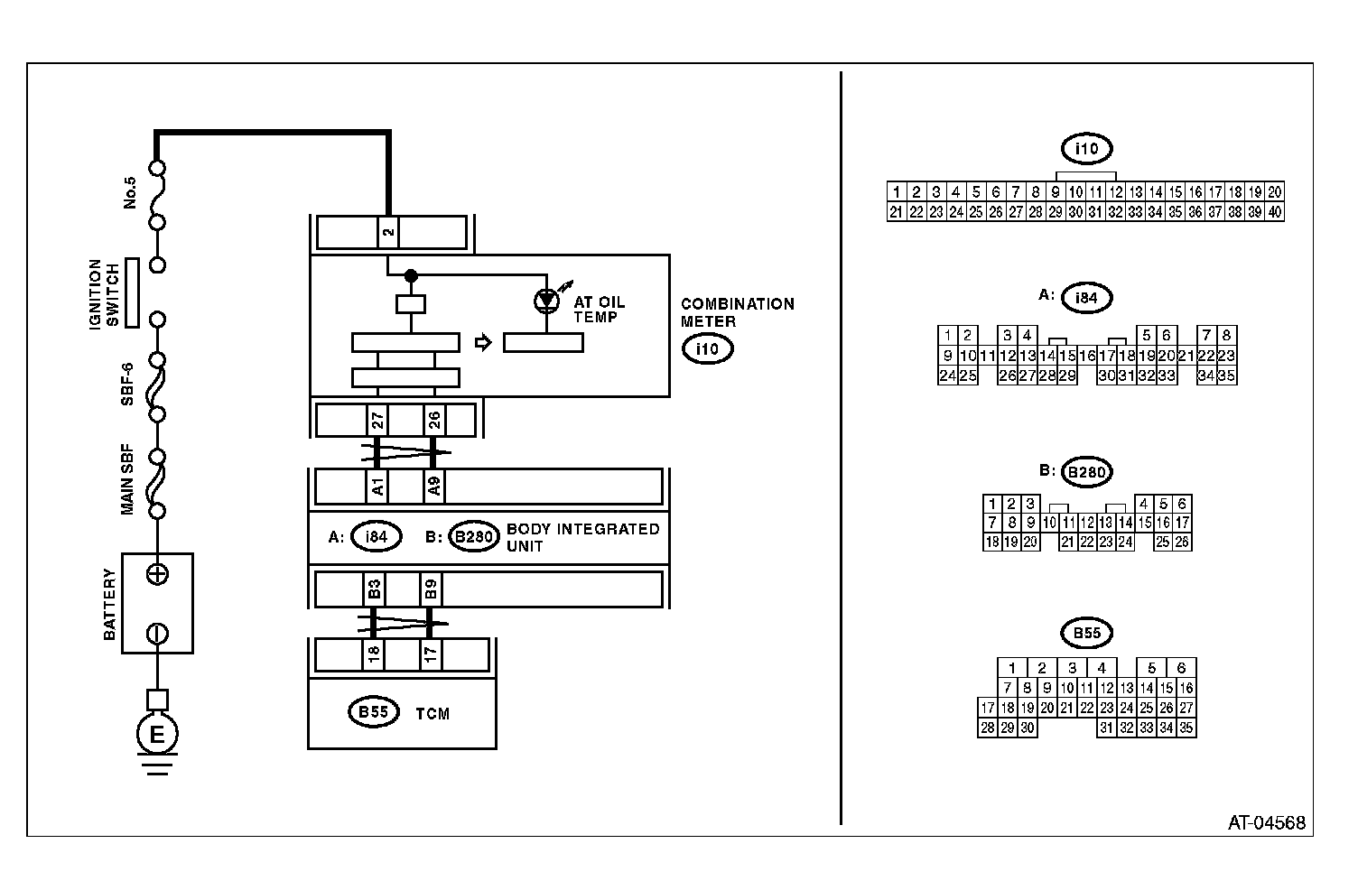
A/T Oil Temp Warning Light Display

AT OIL TEMP Warning Light Display

OPERATION

When any on-board diagnostics item is malfunctioning, the ATF temperature warning light blinks. The light keeps blinking from when the malfunction is detected after starting the engine, until the ignition switch is turned OFF. The faulty parts or unit can be identified by reading DTCs. Problems which occurred previously can also be identified through the memory function. If the ATF temperature warning light does not blink when a problem actually occurs, the problem can be determined by checking the performance characteristics of each sensor using the Subaru Select Monitor. Warning light signal patterns are shown in the figure.





Inspect the ATF temperature warning light when it does not operate correctly.

INSPECTION

DIAGNOSIS:

The ATF temperature warning light circuit is open or shorted.

TROUBLE SYMPTOM:

When the ignition switch is turned to ON, the ATF temperature warning light does not illuminate.

WIRING DIAGRAM:

WIRING DIAGRAM:




Step 1-Step 8: