Manuals through 2025 now available!
Our trusted friends have launched a new website named LEMON, which has newer manuals. It also contains all the CHARM manuals.
LEMON is the spiritual successor to CHARM, I recommend you try it!
Link:
lemon-manuals.la or
lemon-manuals.org.ua
(Some people have issue connecting. LEMON is investigating. For now, use Firefox or change your DNS server)
Or, hide this message:
temporarily or
permanently
Communication for Initializing Impossible
Diagnostic Procedure for Subaru Select Monitor CommunicationCOMMUNICATION FOR INITIALIZING IMPOSSIBLEDIAGNOSIS: Faulty harness connectors
TROUBLE SYMPTOM: Subaru Select Monitor communication failure
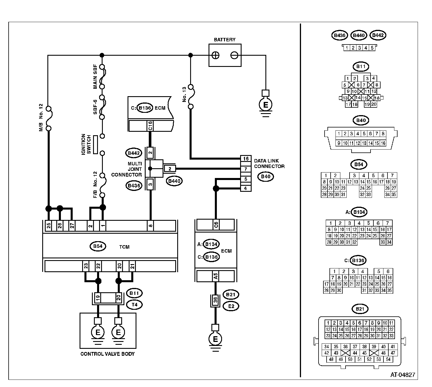
WIRING DIAGRAM:WIRING DIAGRAM:
Step 1-Step 8:
Step 9-Step 16:
Step 17-Step 20: