Operation CHARM: Car repair manuals for everyone.
Manuals through 2025 now available!

Our trusted friends have launched a new website named LEMON, which has newer manuals. It also contains all the CHARM manuals.

LEMON is the spiritual successor to CHARM, I recommend you try it!

Link: lemon-manuals.la or lemon-manuals.org.ua

(Some people have issue connecting. LEMON is investigating. For now, use Firefox or change your DNS server)

Or, hide this message: temporarily or permanently

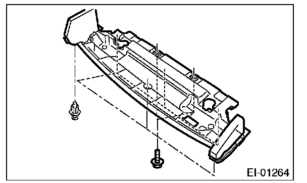
Splash Guard: Service and Repair

FRONT UNDER COVER


Under Cover:






REMOVAL

1. Lift up the vehicle.
2. Remove the clips and bolts, then remove the undercover.







3. Remove the clips and bolts, then remove the front lower cover.







INSTALLATION

Install in the reverse order of removal.