Operation CHARM: Car repair manuals for everyone.
Manuals through 2025 now available!

Our trusted friends have launched a new website named LEMON, which has newer manuals. It also contains all the CHARM manuals.

LEMON is the spiritual successor to CHARM, I recommend you try it!

Link: lemon-manuals.la or lemon-manuals.org.ua

(Some people have issue connecting. LEMON is investigating. For now, use Firefox or change your DNS server)

Or, hide this message: temporarily or permanently

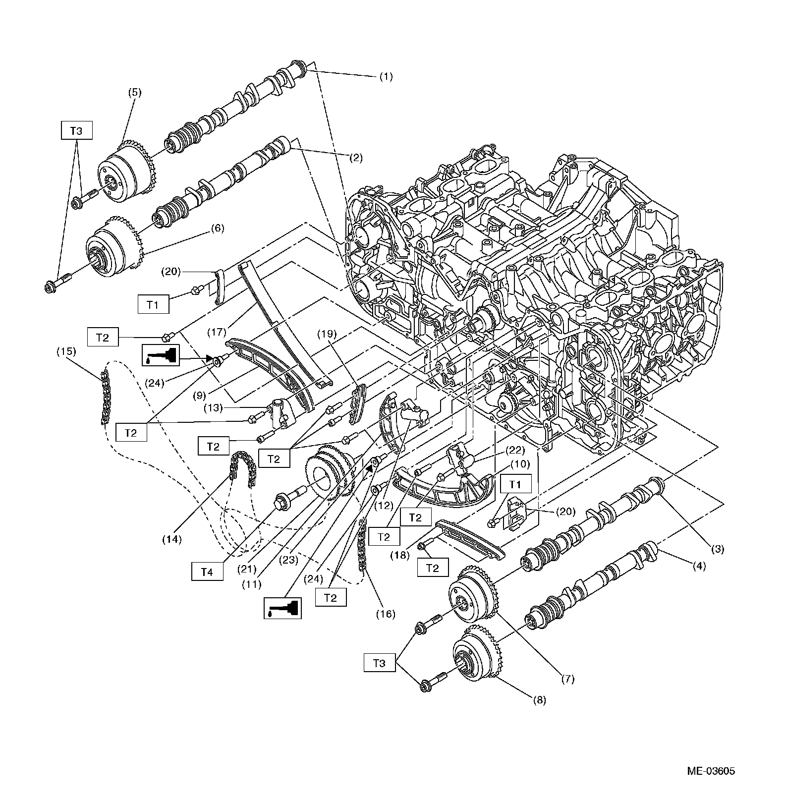
Overhaul

Timing Chain Assembly








LOCATION





REMOVAL

NOTE:
- When replacing the single part, perform the work with the engine installed to body.
- After removal, arrange the timing chain components in proper order, to prevent confusion.

1) Drain the engine oil.
2) Remove the radiator.
3) Remove the V-belts.
4) Remove the crank pulley.
5) Remove the chain cover.
6) Remove the chain tensioner (RH).

NOTE:
During removal of chain tensioner (RH) from chain tensioner lever (RH), press the plunger by hand to prevent it from popping out.





7) Remove the chain guide (RH: between cams).





8) Remove the chain tensioner lever (RH).





9) Remove the chain guide (RH).





10) Remove the timing chain (RH).
11) Remove the chain tensioner (LH).

NOTE:
During removal of chain tensioner (LH) from chain tensioner lever (LH), press the plunger by hand to prevent it from popping out.





12) Remove the chain guide (LH: between cams).





13) Remove the chain tensioner lever (LH).





14) Remove the chain guide (LH).





15) Remove the timing chain (LH).
16) Remove the chain tensioner (Main).

NOTE:
During removal of chain tensioner (Main) from chain tensioner lever (Main), press the plunger by hand to prevent it from popping out.





17) Remove the chain guide (Main).





18) Remove the chain tensioner lever (Main).





19) Remove the idler sprocket, and then remove the idler sprocket and timing chain (Main).
ST1 18355AAA000 PULLEY WRENCH
ST2 18334AAA000 PULLEY WRENCH PIN SET





INSTALLATION

NOTE:
- Be careful that the foreign matter is not into or onto assembled component during installation.
- Apply engine oil to the all timing chain components.

1) Prepare for chain tensioner installation.
(1) Insert the screw, spring pin and plunger into the tensioner body.
(2) Rotate the rubber mat counterclockwise while pressing the chain tensioner from upper side by hand as shown in the figure.

NOTE:
Degrease the contact surface of the plunger head and rubber mat so that they do not slip.





(3) Insert the stopper pin into the chain tensioner body hole.

2) Set the oil pump shaft knock pin at the six o'clock position as shown in the figure.





3) Using the ST, align the "Top mark" on crank sprocket to nine o'clock position as shown in the figure





4) Align the intake cam sprocket to 12 o'clock position as shown in the figure.





5) Align the exhaust cam sprocket to 12 o'clock position as shown in the figure.





6) Using the ST, align the "Top mark" on crank sprocket to 12 o'clock position as shown in the figure

NOTE:
- Piston #1 is in top dead center (TDC) position.
- Do not rotate the crankshaft and cam sprocket before completing timing chain installation.
- Crank sprocket key is located at three o'clock position.





7) Install the chain guide (Main).
Tightening torque: 16 N-m (1.6 kgf-m, 11.8 ft-lb)





8) Install the idler sprocket and timing chain (Main).
(1) Align the timing chain mark (gold) to the idler sprocket timing mark position.
(2) Align the idler sprocket timing mark to the six o'clock position, and then install the idler sprocket and timing chain.
(3) Confirm the timing chain mark (gold) is set to the crank sprocket 12 o'clock position.
(4) Install the idler sprocket bolt.
ST1 18355AAA000 PULLEY WRENCH
ST2 18334AAA000 PULLEY WRENCH PIN SET
Tightening torque: 120 N-m (12.2 kgf-m, 88.5 ft-lb)





9) Install the chain tensioner lever (main).
Tightening torque: 16 N-m (1.6 kgf-m, 11.8 ft-lb)





10) Install the chain tensioner (main) and pull out the stopper pin.

NOTE:
Timing chain (main) components assembly is completed.

Tightening torque: 16 N-m (1.6 kgf-m, 11.8 ft-lb)





11) Install the chain guide (LH).
Tightening torque: 16 N-m (1.6 kgf-m, 11.8 ft-lb)





2) Install the chain guide (LH: between cams).
Tightening torque: 6.4 N-m (0.7 kgf-m, 4.7 ft-lb)





13) Install the timing chain (LH).
(1) Match the timing mark of the intake cam sprocket (LH). with the mark (blue) of the timing chain.





(2) Match the timing mark of the exhaust cam sprocket (LH). with the mark (blue) of the timing chain.





(3) Install the timing chain to the water pump sprocket.





(4) Align the idler sprocket timing mark to the timing chain mark (gold).





14) Install the chain tensioner lever (LH).
Tightening torque: 16 N-m (1.6 kgf-m, 11.8 ft-lb)





15) Install the chain tensioner (LH). and pull out the stopper pin.

NOTE:
- Confirm the bolt is attached on the side of chain tensioner housing.
- Timing chain (LH). components assembly is completed.

Tightening torque: 16 N-m (1.6 kgf-m, 11.8 ft-lb)





16) Install the chain guide (RH).
Tightening torque: 16 N-m (1.6 kgf-m, 11.8 ft-lb)





17) Install the chain guide (RH: between cams).
Tightening torque: 6.4 N-m (0.7 kgf-m, 4.7 ft-lb)





18) Install the timing chain (RH).
(1) Match the timing mark of the intake cam sprocket (RH) with the mark (blue) of the timing chain.





(2) Match the timing mark of the exhaust cam sprocket (RH) with the mark (blue) of the timing chain.





(3) Align the idler sprocket timing mark to the timing chain mark (gold).





19) Install the chain tensioner lever (RH).
Tightening torque: 16 N-m (1.6 kgf-m, 11.8 ft-lb)





20) Install the chain tensioner (RH) and pull out the stopper pin.

NOTE:
Timing chain (RH) components assembly is completed.

Tightening torque: 16 N-m (1.6 kgf-m, 11.8 ft-lb)





21) Confirm the following after installation.

CAUTION:
Be sure to perform this confirmation.


(1) Confirm that the idler sprocket timing mark and three timing chain marks (gold) are aligned.
(2) Confirm that the crank sprocket 12 o'clock position and timing chain (main) mark (gold) are aligned.
(3) Confirm that the LH cam sprocket timing mark and timing chain mark (blue) are aligned.
(4) Confirm that the RH cam sprocket timing mark and timing chain mark (blue) are aligned.
(5) Confirm that the bolts are tightened to the specified tightening torque.
22) Confirm that there are no abnormalities, while turning the crankshaft in the engine rotating direction using ST.

CAUTION:
Be sure to perform this confirmation.


23) Install the chain cover.
24) Install the crank pulley.
25) Install the V-belts.
26) Fill with engine oil.
27) Confirm that there are no oil leakage at the chain cover mating surface.
28) Install the radiator.