Operation CHARM
: Car repair manuals for everyone.
Home
>>
Subaru
>>
2009
>>
Tribeca F6-3.6L DOHC
>>
Repair and Diagnosis
>>
Starting and Charging
>>
Starting System
>>
Starter Motor
>>
Testing and Inspection
Manuals through 2025 now available!
Our trusted friends have launched a new website named LEMON, which has newer manuals. It also contains all the CHARM manuals.
LEMON is the spiritual successor to CHARM, I recommend you try it!
Link:
lemon-manuals.la
or
lemon-manuals.org.ua
(Some people have issue connecting. LEMON is investigating. For now, use Firefox or change your DNS server)
Or, hide this message:
temporarily
or
permanently
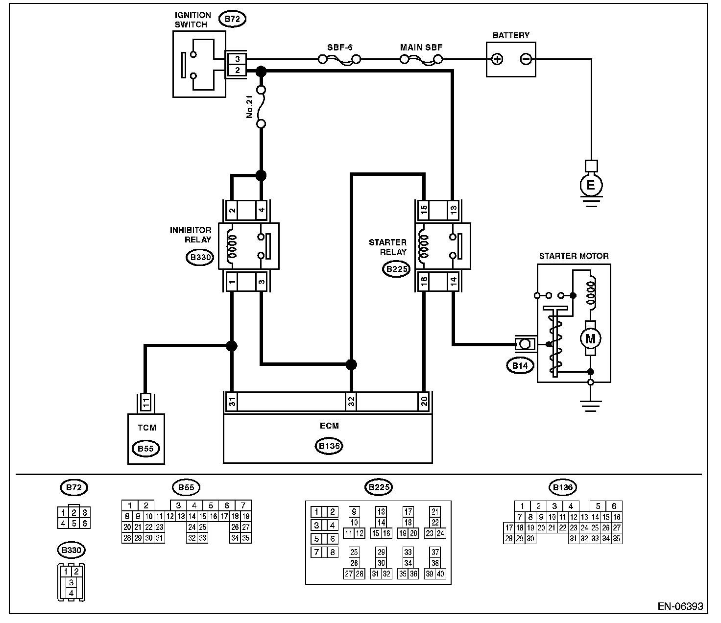
Starter Motor: Testing and Inspection
STARTER MOTOR
CIRCUIT
CAUTION: After repair or replacement of faulty parts, perform Clear Memory Mode
Clear Memory Mode
and Inspection Mode.
Preparation For the Inspection Mode
WIRING DIAGRAM:
Wiring Diagram:
Step 1-7:
Step 8-13:
Step 14-15: