Operation CHARM: Car repair manuals for everyone.
Manuals through 2025 now available!

Our trusted friends have launched a new website named LEMON, which has newer manuals. It also contains all the CHARM manuals.

LEMON is the spiritual successor to CHARM, I recommend you try it!

Link: lemon-manuals.la or lemon-manuals.org.ua

(Some people have issue connecting. LEMON is investigating. For now, use Firefox or change your DNS server)

Or, hide this message: temporarily or permanently

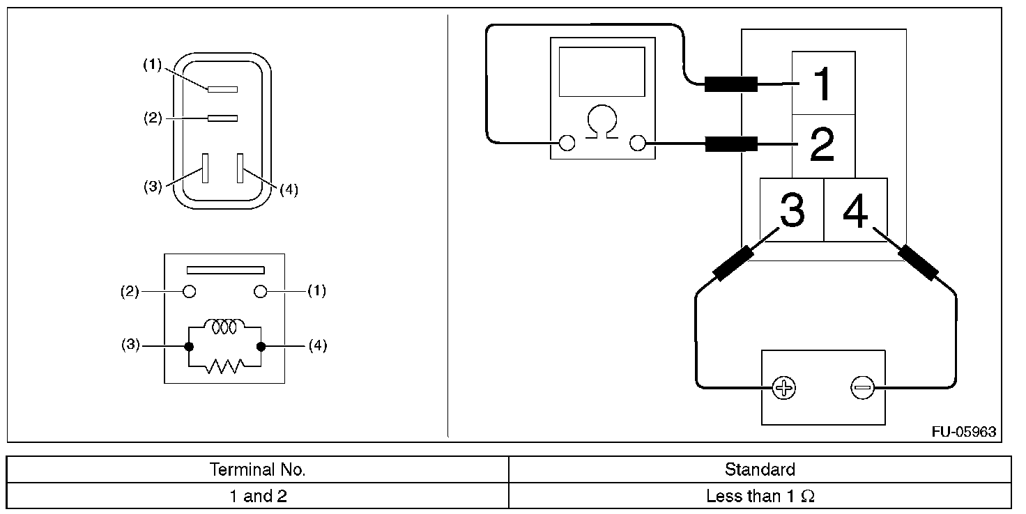
Main Relay (Computer/Fuel System): Testing and Inspection

Main Relay

INSPECTION

1. Check that the main relay has no deformation, cracks or other damages.
2. Measure the resistance between main relay terminals.






3. Connect battery positive terminal to terminal No. 3 and battery ground terminal to terminal No. 4, and measure the resistance between the main relay terminals.