Operation CHARM: Car repair manuals for everyone.
Manuals through 2025 now available!

Our trusted friends have launched a new website named LEMON, which has newer manuals. It also contains all the CHARM manuals.

LEMON is the spiritual successor to CHARM, I recommend you try it!

Link: lemon-manuals.la or lemon-manuals.org.ua

(Some people have issue connecting. LEMON is investigating. For now, use Firefox or change your DNS server)

Or, hide this message: temporarily or permanently

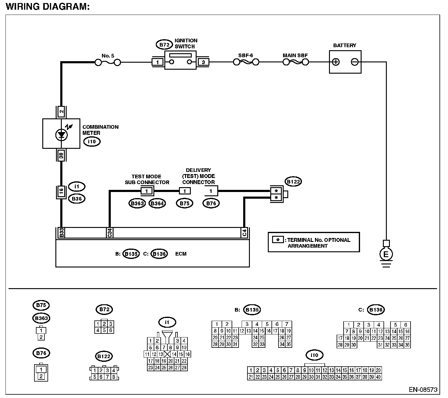
Malfunction Indicator Light Does Not Blink

MALFUNCTION INDICATOR LIGHT DOES NOT BLINK

DIAGNOSIS:
- The malfunction indicator light circuit is open or shorted.
- The delivery (test) mode connector circuit is open.

TROUBLE SYMPTOM:
Malfunction indicator light does not blink during Inspection Mode.

WIRING DIAGRAM: