Operation CHARM: Car repair manuals for everyone.
Manuals through 2025 now available!

Our trusted friends have launched a new website named LEMON, which has newer manuals. It also contains all the CHARM manuals.

LEMON is the spiritual successor to CHARM, I recommend you try it!

Link: lemon-manuals.la or lemon-manuals.org.ua

(Some people have issue connecting. LEMON is investigating. For now, use Firefox or change your DNS server)

Or, hide this message: temporarily or permanently

Variable Induction Control Valve: Testing and Inspection

Tumble Generator Valve Assembly

INSPECTION

1. CHECK MOTOR
1. Connect the battery positive terminal to terminal No. 5 and the battery ground terminal to terminal No. 4, and check that the valve is fully opened on LH side and the valve is fully closed on RH side.

CAUTION: Do not power the motor for more than 10 seconds.






2. Connect the battery positive terminal to terminal No. 4 and the battery ground terminal to terminal No. 5, and check that the valve is fully closed on LH side and the valve is fully opened on RH side.

CAUTION: Do not power the motor for more than 10 seconds.






2. CHECK SENSORS
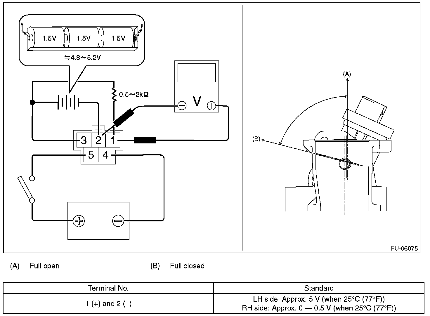
1. Connect dry-cell battery positive terminal to terminal No. 3 and dry-cell battery ground terminal to terminal No. 2, and connect the resistance (0.5 - 2 kohms) between dry-cell battery positive terminal and terminal No. 1.

NOTE:
- Use new dry-cell batteries.
- Using circuit tester, check the voltage of a single dry-cell battery is 1.6 V or more. And also check the voltage of three batteries in series is between 4.8 V and 5.2 V.

2. Connect the circuit tester positive terminal to terminal No. 1, and the circuit tester negative terminal to terminal No. 2.
3. Connect the battery positive terminal to terminal No. 5 and the battery ground terminal to terminal No. 4, and measure the voltages with the valve fully opened on LH side and with the valve fully closed on RH side.

CAUTION: Do not power the motor for more than 10 seconds.






4. Connect dry-cell battery positive terminal to terminal No. 3 and dry-cell battery ground terminal to terminal No. 2, and connect the resistance (0.5 - 2 kohms) between dry-cell battery positive terminal and terminal No. 1.

NOTE:
- Use new dry-cell batteries.
- Using circuit tester, check the voltage of a single dry-cell battery is 1.6 V or more. And also check the voltage of three batteries in series is between 4.8 V and 5.2 V.

5. Connect the circuit tester positive terminal to terminal No. 1, and the circuit tester negative terminal to terminal No. 2.
6. Connect the battery positive terminal to terminal No. 4 and the battery ground terminal to terminal No. 5, and measure the voltages with the valve fully closed on LH side and with the valve fully opened on RH side.

CAUTION: Do not power the motor for more than 10 seconds.






3. OTHER INSPECTIONS
1. Check that the tumble generator valve assembly has no deformation, cracks or other damages.
2. Check tumble generator valve assembly for contamination or clogging.