Operation CHARM: Car repair manuals for everyone.
Manuals through 2025 now available!

Our trusted friends have launched a new website named LEMON, which has newer manuals. It also contains all the CHARM manuals.

LEMON is the spiritual successor to CHARM, I recommend you try it!

Link: lemon-manuals.la or lemon-manuals.org.ua

(Some people have issue connecting. LEMON is investigating. For now, use Firefox or change your DNS server)

Or, hide this message: temporarily or permanently

Clutch Switch: Service and Repair

Clutch Switch

REMOVAL

1) Disconnect the ground cable from battery.
2) Remove the instrument panel lower cover.
3) Disconnect the connector from the clutch switch.
4) Remove the clutch switches.

INSTALLATION

CLUTCH SWITCH (CRUISE CONTROL)

1) Move the clevis pin of push rod to left and right, retain it at the position where it moves smoothly, and measure the clutch pedal stroke.

Clutch pedal full stroke A:
STI model
130 - 135 mm (5.12 - 5.31 in)
Except for STI model
135 - 140 mm (5.31 - 5.51 in)

Tightening torque:
T: 8 Nm (0.8 kgf-m, 5.9 ft-lb)





2) If the clutch pedal stroke is out of specification, adjust the stroke.
3) Connect the clutch switch connector.

CLUTCH START SWITCH

1) Fully depress the clutch pedal and hold it.
2) Install the clutch pedal plate and clutch switch so that the gap between them is 1.1 - 2.1 mm (0.04 - 0.08 in), and then tighten the lock nut.

Tightening torque:
8 Nm (0.8 kgf-m, 5.9 ft-lb)





3) Connect the clutch switch connector.
4) Make sure that engine does not start with clutch pedal not depressed.
5) Make sure that engine starts with clutch pedal fully depressed.

INSPECTION

CLUTCH START SWITCH

1) Perform the following inspections. If the clutch start switch does not operate normally, adjust the switch, and check it again.
^ Make sure that engine does not start with clutch pedal not depressed.
^ Make sure that engine starts with clutch pedal fully depressed.
2) When the clutch start switch does not operate normally even if it is adjusted, check the clutch start switch for continuity.
(1) Remove the clutch start switch.
(2) Measure the resistance between terminal 1 and 2 of the switch. If the resistance is not at the standard value, replace the switch.








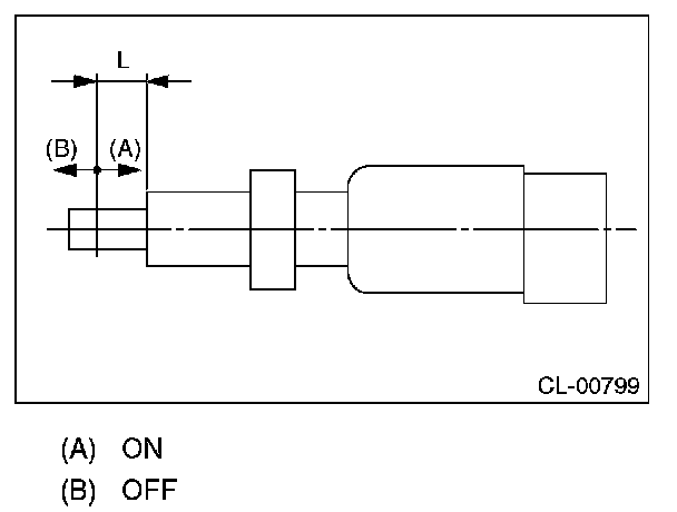
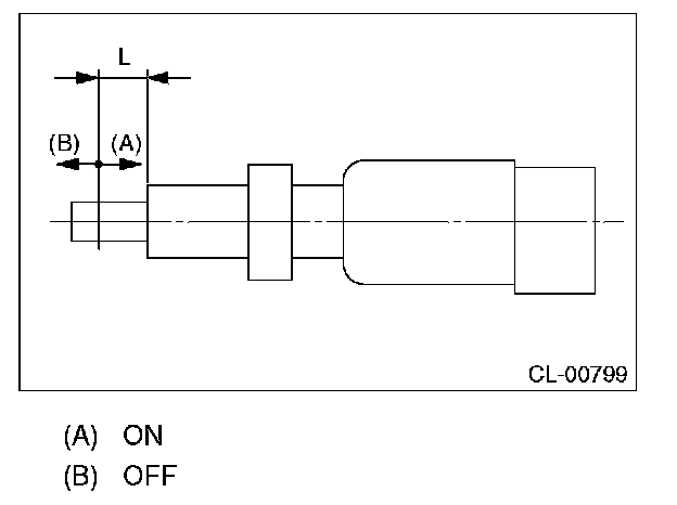
(3) Check that the switch is turned on and off in Dimension L.

Dimension L:
4 - 5.5 mm (0.16 - 0.22 in)





CLUTCH SWITCH

1) Check the clutch switch for continuity.
(1) Disconnect the connector of clutch switch.
(2) Measure the resistance between terminal 1 and 2 of the switch. If the resistance is not within the specification, check the clutch stroke and installation condition, and check the clutch switch again.








2) When the clutch switch does not operate normally even if the clutch stroke and installation condition are normal, check the clutch switch for continuity.
(1) Remove the clutch switches.
(2) Measure the resistance between terminal 1 and 2 of the switch. If the resistance is not at the standard value, replace the switch.








(3) Check that the switch is turned on and off in Dimension L.

Dimension L:
5 - 6.5 mm (0.2 - 0.26 in)





ADJUSTMENT

1) Loosen the lock nut of clutch start switch.





2) Fully depress the clutch pedal and hold it.
3) Adjust the gap of the clutch pedal plate and the clutch switch to be 1.1 - 2.1 mm (0.04 - 0.08 in).





4) Tighten the lock nut.

Tightening torque:
8 Nm (0.8 kgf-m, 5.9 ft-lb)