Operation CHARM
: Car repair manuals for everyone.
Home
>>
Subaru
>>
2011
>>
Legacy F4-2.5L SOHC
>>
Repair and Diagnosis
>>
Powertrain Management
>>
Computers and Control Systems
>>
Testing and Inspection
>>
Symptom Related Diagnostic Procedures
>>
Diagnostics For Engine Starting Failure
>>
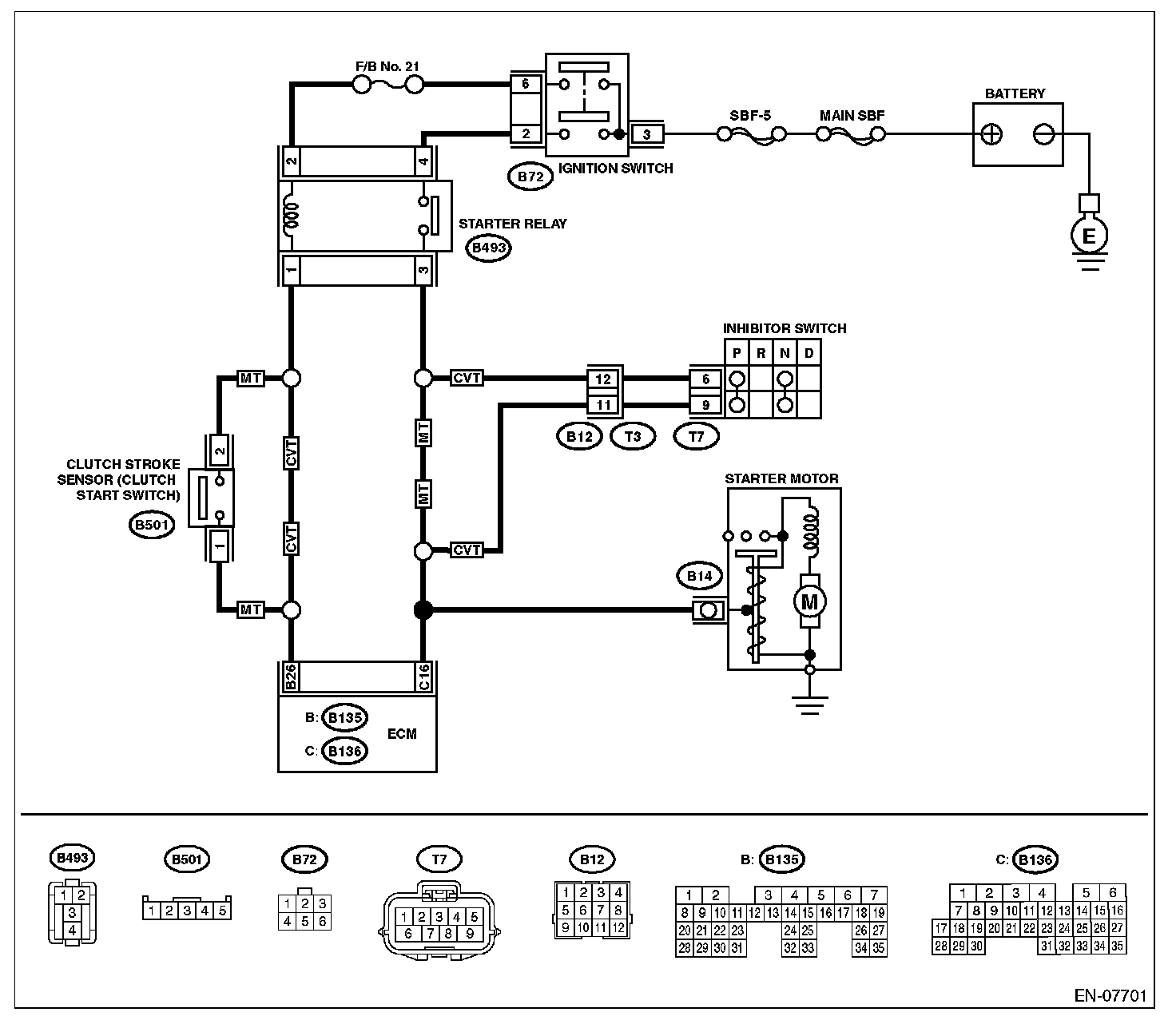
Starter Motor Circuit
Manuals through 2025 now available!
Our trusted friends have launched a new website named LEMON, which has newer manuals. It also contains all the CHARM manuals.
LEMON is the spiritual successor to CHARM, I recommend you try it!
Link:
lemon-manuals.la
or
lemon-manuals.org.ua
(Some people have issue connecting. LEMON is investigating. For now, use Firefox or change your DNS server)
Or, hide this message:
temporarily
or
permanently
Starter Motor Circuit
Diagnostics for Engine Starting Failure
STARTER MOTOR CIRCUIT
CAUTION: After servicing or replacing faulty parts, perform Clear Memory Mode,
Clear Memory Mode
and Inspection Mode.
Inspection Mode
WIRING DIAGRAM: