Front Sensor
Front ABS Wheel Speed SensorREMOVAL
1) Disconnect the ground cable from battery.
2) Lift up the vehicle, and then remove the front wheels.
3) Remove the front ABS wheel speed sensor.
CAUTION:
^ Be careful not to damage the sensor.
^ Do not apply excessive force to the sensor harness.
^ Leave the sensor harness clamp on the vehicle side.
(1) Disconnect the front ABS wheel speed sensor connector in the engine compartment.
(2) Remove each harness clip and grommet.
(3) Remove the bolts, and remove the front ABS wheel speed sensor from the front axle housing.
INSTALLATION
CAUTION:
Be careful not to damage the sensor.
Install each part in the reverse order of removal.
NOTE:
^ Check the identification (mark) on the harness to make sure there is no warpage.
^ Check if the harness is not pulled and does not come in contact with the suspension or body while operating the steering.
Tightening torque:
Front ABS wheel speed sensor: 7.5 Nm (0.76 kgf-m, 5.5 ft-lb)
INSPECTION
CHECK WITH SUBARU SELECT MONITOR
1) Connect the Subaru Select Monitor to data link connector.
(1) Run the "PC application for Subaru Select Monitor".
(2) On [[Main Menu]] display, select {Each System Check}.
(3) Select {Brake Control System}. When {VDC} is displayed, select the [OK] button.
(4) From {Current Data Display & Save}, select {FR Wheel Speed} and {FL Wheel Speed}.
2) Check if the speed indicated on the display changes in the same manner as the speedometer reading during acceleration/deceleration when the steering wheel is in the straight-ahead position.
3) If the speed indicated on the display does not change in the inspection, check the ABS wheel speed sensor.
CHECK ABS WHEEL SPEED SENSOR UNIT.
1) Visually check the tip of the ABS wheel speed sensor for foreign particles or damage. If necessary, clean the tip or replace the ABS wheel speed sensor.
2) Disconnect the ABS wheel speed sensor connector.
3) Check the ABS wheel speed sensor cable for discontinuity. If defective, replace the ABS wheel speed sensor.
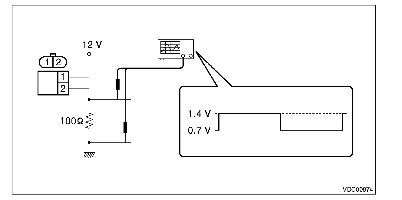
4) Connect a 12 V power supply to No. 1 terminal of ABS wheel speed sensor connector, then attach resistance to the No. 2 terminal. Rotate the wheel at about 2.75 km/h (2 MPH), and measure the voltage using an oscilloscope.
Standard value of output voltage:
0.7 - 1.4 V
5) Replace the ABS wheel speed sensor if the inspection result is not within the standard value.