Operation CHARM: Car repair manuals for everyone.
Manuals through 2025 now available!

Our trusted friends have launched a new website named LEMON, which has newer manuals. It also contains all the CHARM manuals.

LEMON is the spiritual successor to CHARM, I recommend you try it!

Link: lemon-manuals.la or lemon-manuals.org.ua

(Some people have issue connecting. LEMON is investigating. For now, use Firefox or change your DNS server)

Or, hide this message: temporarily or permanently

Brake Light Switch: Service and Repair

Stop Light Switch

REMOVAL

1) Disconnect the ground cable from the battery.
2) Disconnect the stop light switch connector.
3 Loosen the nuts, unscrew the stop light switch, and remove stop light switch.





INSTALLATION

1) Install the stop light switch onto the bracket with screws and position it with the nut.
2) Adjust the stop light switch position, and then tighten the nut.

Tightening torque:
8 Nm (0.8 kgf-m, 5.8 ft-lb)





INSPECTION

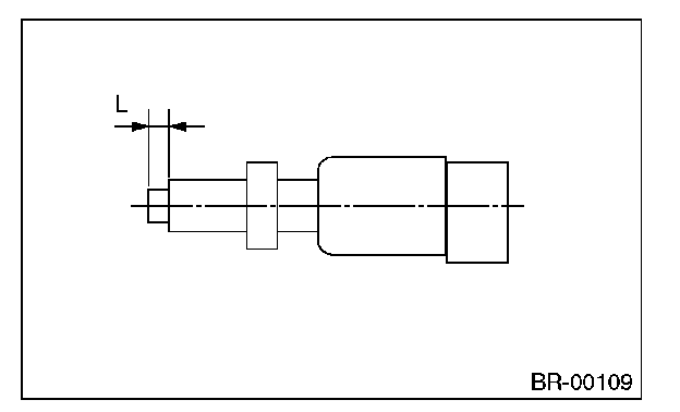
CHECK SPECIFIED POSITION

1) If the stop light switch does not operate properly (or if it is not secured at the specified position), replace with a new part.

Specified position L:
2 mm (0.079 in)





2) Measure the clearance between the threaded end of the stop light switch and the stopper.

CAUTION:
Be careful not to rotate the stop light switch.

Stop light switch clearance A:
0.8 mm (0.031 in)





3) If it is not within the specification, adjust it by adjusting the position of the stop light switch.

CAUTION:
Be careful not to rotate the stop light switch.

CHECK RESISTANCE

1) If the stop light switch does not operate properly, replace with a new part.
2) Measure the resistance of the stop light switch.








ADJUSTMENT

Loosen the lock nut, and adjust the stop light switch position until the clearance between the threaded end of the stop light switch and stopper (A) becomes 0.8 mm (0.031 in). Then, tighten the lock nut.

Tightening torque:
8 Nm (0.8 kgf-m, 5.8 ft-lb)





NOTE:
Tighten lock nut B until the threaded end of switch contacts the stopper. Hold the switch so that it does not rotate, and loosen the lock nut B approx. 60°. The clearance (A) will become 0.3 mm (0.012 in).