Manuals through 2025 now available!
Our trusted friends have launched a new website named LEMON, which has newer manuals. It also contains all the CHARM manuals.
LEMON is the spiritual successor to CHARM, I recommend you try it!
Link:
lemon-manuals.la or
lemon-manuals.org.ua
(Some people have issue connecting. LEMON is investigating. For now, use Firefox or change your DNS server)
Or, hide this message:
temporarily or
permanently
Pinout Values and Diagnostic Parameters
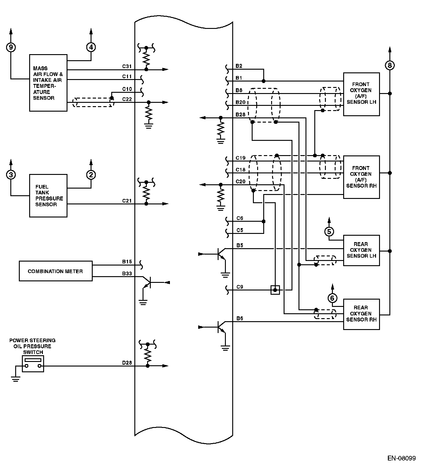
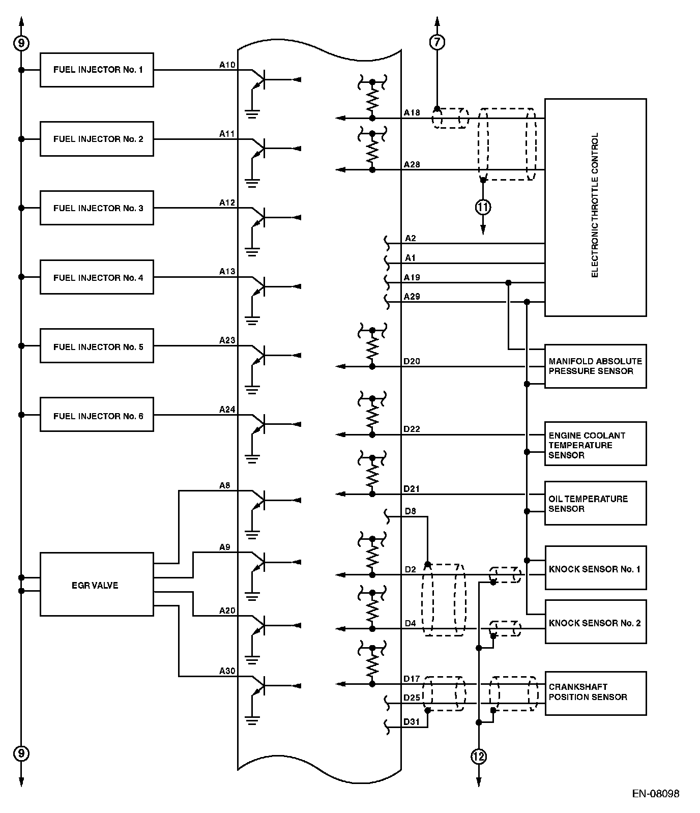
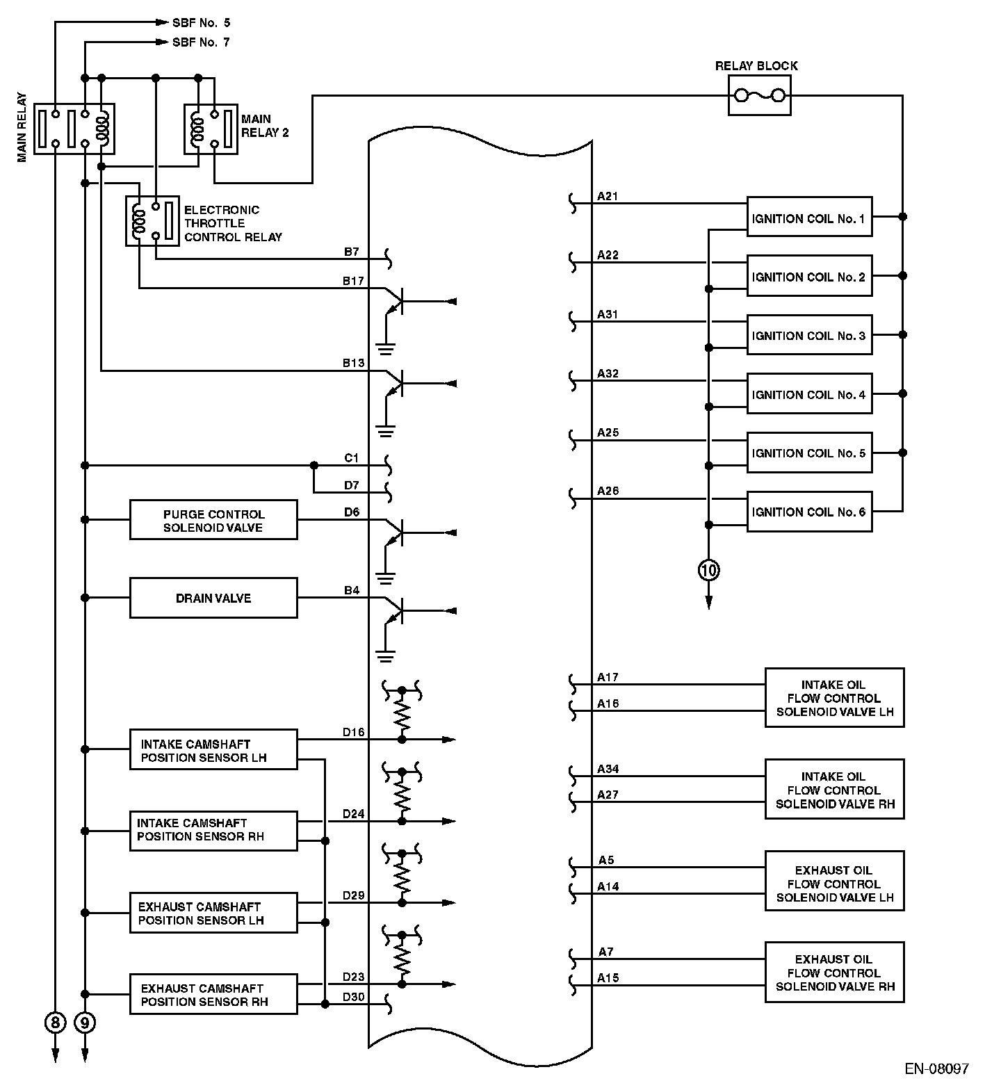
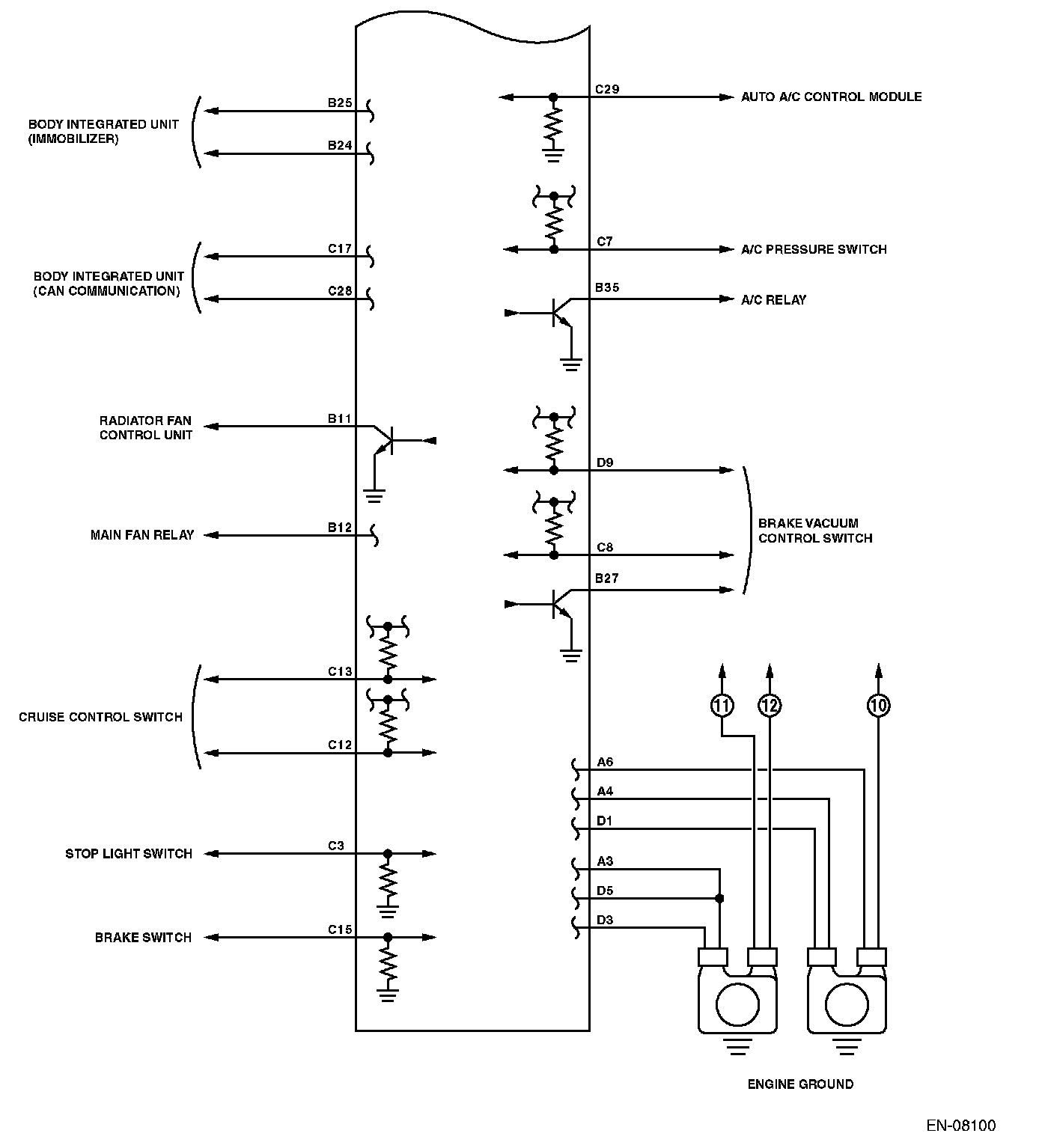
ENGINE CONTROL MODULE (ECM) I/O SIGNAL
ELECTRICAL SPECIFICATIONInput/output name:
-
Crankshaft position sensor
-
Intake camshaft position sensor RH
-
Intake camshaft position sensor LH
-
Exhaust camshaft position sensor RH
-
Exhaust camshaft position sensor LH
Measuring condition:
-
After warming-up
-
At idling