Operation CHARM: Car repair manuals for everyone.
Manuals through 2025 now available!

Our trusted friends have launched a new website named LEMON, which has newer manuals. It also contains all the CHARM manuals.

LEMON is the spiritual successor to CHARM, I recommend you try it!

Link: lemon-manuals.la or lemon-manuals.org.ua

(Some people have issue connecting. LEMON is investigating. For now, use Firefox or change your DNS server)

Or, hide this message: temporarily or permanently

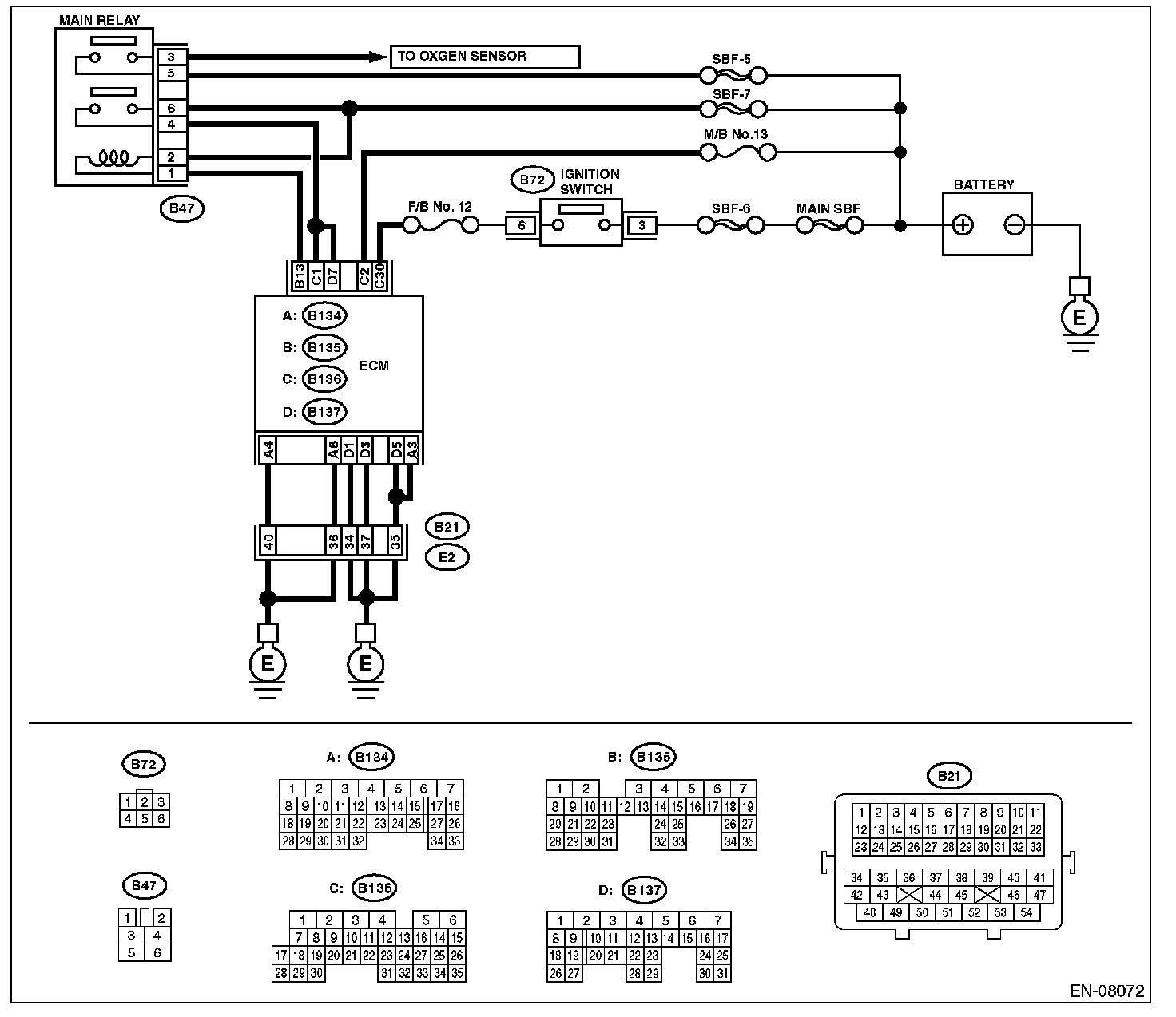
Check Power Supply and Ground Line of Engine Control Module (ECM)

DIAGNOSTICS FOR ENGINE STARTING FAILURE

CHECK POWER SUPPLY AND GROUND LINE OF ENGINE CONTROL MODULE (ECM)


CAUTION: After servicing or replacing faulty parts, perform Clear Memory Mode With Manufacturer's Scan Tool, and Inspection Mode Preparation For the Inspection Mode.

WIRING DIAGRAM: