Operation CHARM: Car repair manuals for everyone.
Manuals through 2025 now available!

Our trusted friends have launched a new website named LEMON, which has newer manuals. It also contains all the CHARM manuals.

LEMON is the spiritual successor to CHARM, I recommend you try it!

Link: lemon-manuals.la or lemon-manuals.org.ua

(Some people have issue connecting. LEMON is investigating. For now, use Firefox or change your DNS server)

Or, hide this message: temporarily or permanently

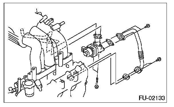
EGR Valve: Service and Repair

EGR VALVE

REMOVAL
1. Remove the collector cover.
2. Disconnect the ground cable from battery.
3. Remove the air intake chamber.
4. Remove the starter.
5. Remove the EGR pipe from EGR valve and cylinder head.
6. Remove the EGR valve from intake manifold.






7. Disconnect the connector from EGR valve.

INSTALLATION
Install in the reverse order of removal.

NOTE: Use a new gasket.

Tightening torque:
EGR valve
19 N.m (1.9 kgf.m, 14.0 ft.lb)
EGR pipe
6.4 N.m (0.7 kgf.m, 4.7 ft.lb)