Operation CHARM: Car repair manuals for everyone.
Manuals through 2025 now available!

Our trusted friends have launched a new website named LEMON, which has newer manuals. It also contains all the CHARM manuals.

LEMON is the spiritual successor to CHARM, I recommend you try it!

Link: lemon-manuals.la or lemon-manuals.org.ua

(Some people have issue connecting. LEMON is investigating. For now, use Firefox or change your DNS server)

Or, hide this message: temporarily or permanently

Scan Tool Testing and Procedures

OPERATION

HOW TO USE SUBARU SELECT MONITOR

1) Prepare the Subaru Select Monitor kit.





2) Prepare PC with Subaru Select Monitor installed.
3) Connect the SDI (Subaru Diagnostic Interface) to the PC USB port (exclusively for Subaru Selector Monitor) using a USB cable.

NOTE:
Port exclusively for Subaru Select Monitor refers to the USB port used when installing Subaru Select Monitor.

4) Connect the diagnosis cable to the SDI.
5) Connect the SDI to the data link connector located in the lower portion of the instrument panel (on the driver's side).





CAUTION:
Do not connect scan tools other than the Subaru Select Monitor.

6) Start the PC.
7) Turn the ignition switch to ON (engine OFF) and run the "PC application for Subaru Select Monitor".
8) Record the DTC and data.

NOTE:
For detailed operation procedure, refer to the "PC application help for Subaru Select Monitor".

9) If VDC and Subaru Select Monitor cannot communicate, check the communication circuit.

READ CURRENT DATA

1) On [[Main Menu]] display, select {Each System Check}.
2) On [[System Selection Menu]] display, select {Brake Control System}.
3) Click the [OK] button after the {VDC} is displayed.
4) On [[Brake Control Diagnosis]] display, select {Current Data Display & Save}.
5) On [[Data Display Menu]] display, select the data display method.
6) Using the scroll key, scroll the display screen up or down until necessary data is shown.
^ A list of the support data is shown in the following table.





NOTE:
For detailed operation procedures, refer to "PC application help for Subaru Select Monitor".

FUNCTION CHECK





FREEZE FRAME DATA

NOTE:
^ Data stored at the time of trouble occurrence is shown on display.
^ Each time a trouble occurs, the latest information is stored in the freeze frame data in memory.
^ If a freeze frame data is not properly stored in memory (due to a drop in VDCCM power supply, etc.), a DTC suffixed with a question mark "?" appears on the Subaru Select Monitor display. This shows it may be an unreliable reading.





PARAMETER SELECTION

CAUTION:
^ Subaru Select Monitor is required for parameter selection.
^ This function can be used for the replacement part of VDCCM&H/U and VDCCM.


NOTE:
^ When the VDCCM is replaced with a replacement part, be sure to perform the parameter selection/ registration to the VDCCM using this function.
^ To confirm the applied model, refer to the "model number plate" attached on the vehicle.
^ When the applied model is entered wrong, re-entry is possible.
^ When the registration has not been performed, the DTC code "Parameter selection error" is detected together with the ABS/EBD/VDC warning light illumination.

1) Connect the Subaru Select Monitor.
2) On [[Main Menu]] display, select {Each System Check}.
3) On [[System Selection Menu]] display, select {Brake Control System}.
4) When {VDC} is displayed, select the [OK] button.
5) On [[Brake Control Diagnosis]] display, select {Select Parameter}.
6) Check the applied model and option code indicated in the "Model number plate".
7) Enter the applied model of 7-digit alphanumeric characters and press the [Enter] key.
8) When the option code input screen appears after entering the applied model, enter the option code consisting of 4-digit alphanumeric characters, and press the [Enter] key When the option code is 3 digits, add "0" in front and enter the code as 4 digits.
9) When the confirmation screen indicating the vehicle information appears, check that the correct applied model and grade are displayed and click the [OK] button.

NOTE:
When the displayed applied model and grade are different from those of the vehicle, perform registration operations again after clicking the [OK] button.

10) Execute Clear Memory after parameter selection and registration operations because the DTC for "Parameter selection error" is memorized.

PARAMETER CHECK

NOTE:
The parameter data registered in the VDCCM is shown on the display.

1) Connect the Subaru Select Monitor.
2) On the [[Main Menu]] display, select {Each System Check}.
3) On the [[System Selection Menu]], select {Brake Control System}.
4) Click the [OK] button after the {VDC} is displayed.
5) On the [[Brake Control Diagnosis]], select {Confirm on parameter}.
6) On the {Confirm on parameter} display screen, check that the applied model and grade of the target vehicle are included, and click the [OK] button.
7) If the applied model and grade of the target vehicle are not included on the {Confirm on parameter} display screen, perform parameter selection and registration.

INSPECTION

COMMUNICATION FOR INITIALIZING IMPOSSIBLE

DETECTING CONDITION:
Defective harness connector

TROUBLE SYMPTOM:
Communication is impossible between VDC and Subaru Select Monitor.

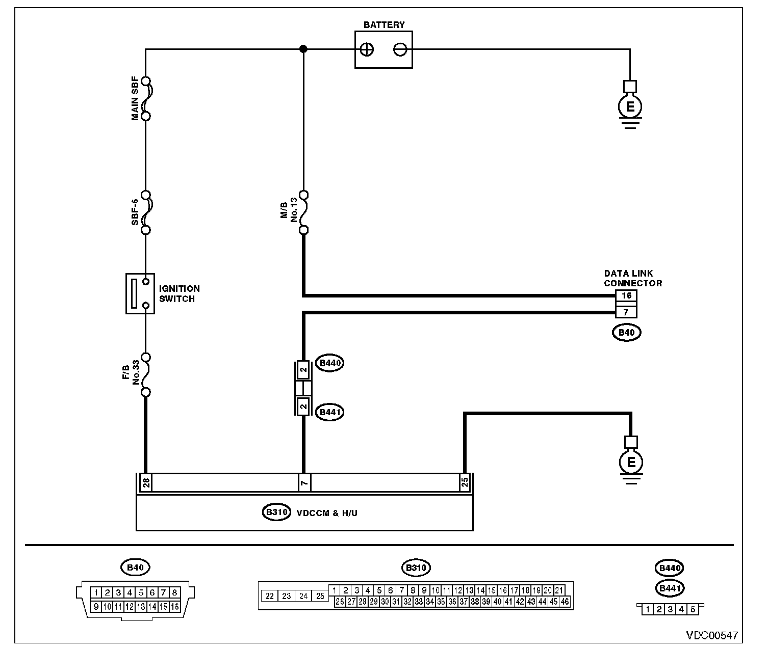
WIRING DIAGRAM: