Operation CHARM: Car repair manuals for everyone.
Manuals through 2025 now available!

Our trusted friends have launched a new website named LEMON, which has newer manuals. It also contains all the CHARM manuals.

LEMON is the spiritual successor to CHARM, I recommend you try it!

Link: lemon-manuals.la or lemon-manuals.org.ua

(Some people have issue connecting. LEMON is investigating. For now, use Firefox or change your DNS server)

Or, hide this message: temporarily or permanently

Part 2

Cylinder Head (Part 2)








CYLINDER HEAD LH

1) Clean the bolt holes in the cylinder block LH.

CAUTION:
To avoid erroneous tightening of the bolts, clean out the bolt holes sufficiently by blowing with compressed air to eliminate engine coolant etc.

2) Apply liquid gasket to both sides of the cylinder head gasket LH as shown in the figure.

NOTE:
^ Use a new cylinder head gasket LH.
^ Before applying liquid gasket, degrease the mating surface of cylinder blocks LH and cylinder head LH.
^ Install within 5 min. after applying liquid gasket.

Liquid gasket:
THREE BOND 1217G (Part No. 0877Y0100) or equivalent

Liquid gasket applying diameter:
3±1 mm (0.1181±0.0394 in)





3) Attach the cylinder head gasket LH.

NOTE:
Check that liquid gasket is squeezed out from the cylinder head gasket LH.

4) Install the cylinder head LH to the cylinder block LH.

CAUTION:
Be careful not to scratch the mating surface of cylinder head LH and cylinder block LH.

(1) Clean the cylinder head bolt threads and apply sufficient engine oil to the washer and cylinder head bolts threads.
(2) Mount the cylinder head LH onto the cylinder block LH, then tighten all bolts with a torque of 29 Nm (3.0 kgf-m, 21.4 ft-lb) in numerical order as shown in the figure.





(3) Tighten all cylinder head bolts further with a torque of 100 Nm (10.2 kgf-m, 73.8 ft-lb) in numerical order as shown in the figure.

CAUTION:
If the bolt makes stick-slip sound during tightening, repeat the procedure from step 1). In that case, the cylinder head gasket LH can be reused. But it is necessary to remove liquid gasket completely from cylinder block LH, cylinder head LH and cylinder head gasket LH and re-apply to them.





(4) Loosen all cylinder head bolts 180° in numerical order as shown in the figure, and then loosen all cylinder head bolts 180° further in numerical order as shown in the figure.





(5) Tighten all cylinder head bolts with a torque of 42 Nm (4.3 kgf-m, 31.0 ft-lb) in numerical order as shown in the figure.





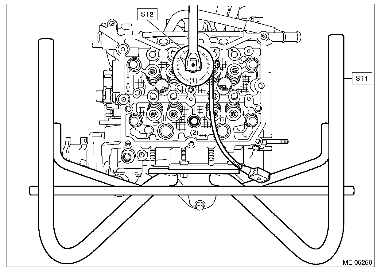
(6) Using ST2, tighten all cylinder head bolts with specified angle in numerical order as shown in the figure.

NOTE:
Attach the magnet used for securing the ST2 (ANGLE GAUGE) to ST1.

ST1 499817100 ENGINE STAND
ST2 18854AA000 ANGLE GAUGE

Tightening angle:
80°±2°





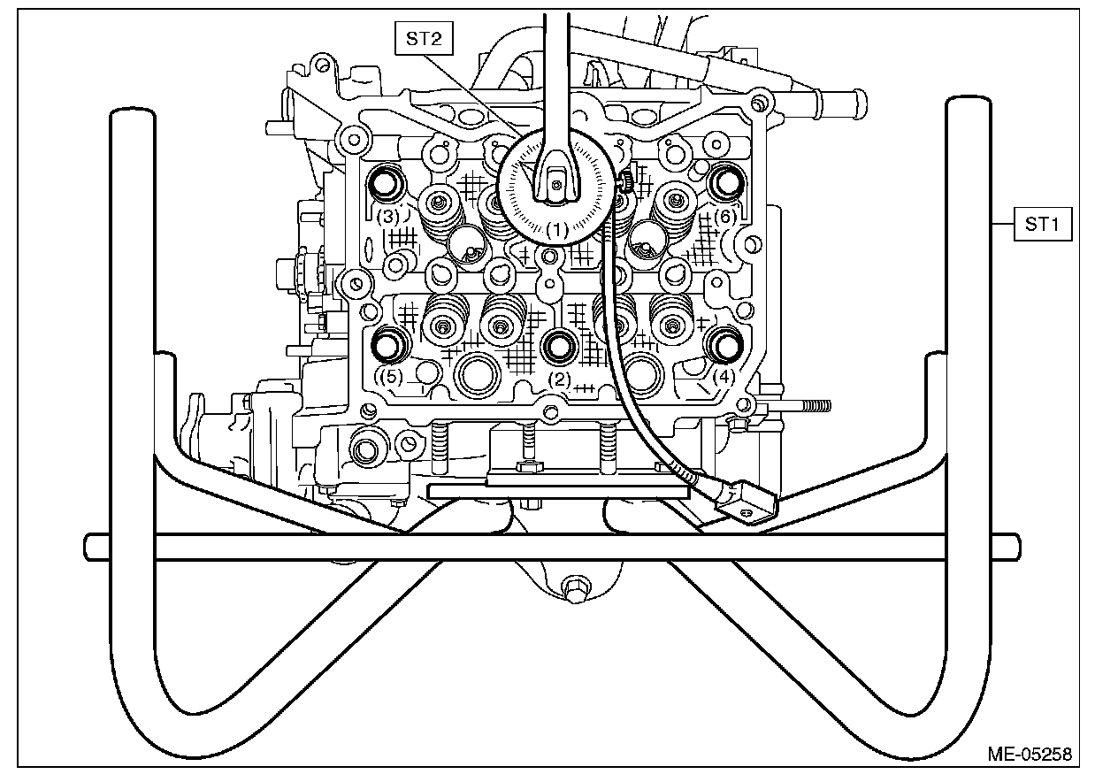
(7) Using ST2, tighten the cylinder head bolts (2 places) with specified angle in numerical order as shown in the figure.

NOTE:
Attach the magnet used for securing the ST2 (ANGLE GAUGE) to ST1.

ST1 499817100 ENGINE STAND
ST2 18854AA000 ANGLE GAUGE

Tightening angle:
75°±2°





(8) Using ST2, tighten the cylinder head bolts (4 places) with specified angle in numerical order as shown in the figure.

NOTE:
^ After tightening, if the liquid gasket is squeezed out onto the seal surface of the chain cover, completely remove any squeezed-out liquid gasket.
^ Attach the magnet used for securing the ST2 (ANGLE GAUGE) to ST1.

ST1 499817100 ENGINE STAND
ST2 18854AA000 ANGLE GAUGE

Tightening angle:
30°±2°





5) Set the A/C compressor bracket to the cylinder head LH, and tighten the bolts in numerical order as shown in the figure.

Tightening torque:
36 Nm (3.7 kgf-m, 26.6 ft-lb)





6) Install the cam carrier LH.
7) Install the rocker cover LH.
8) Install the chain cover.
9) Install the tumble generator valve assembly LH.
10) Install the intake manifold.
11) Install the engine to the vehicle.

DISASSEMBLY

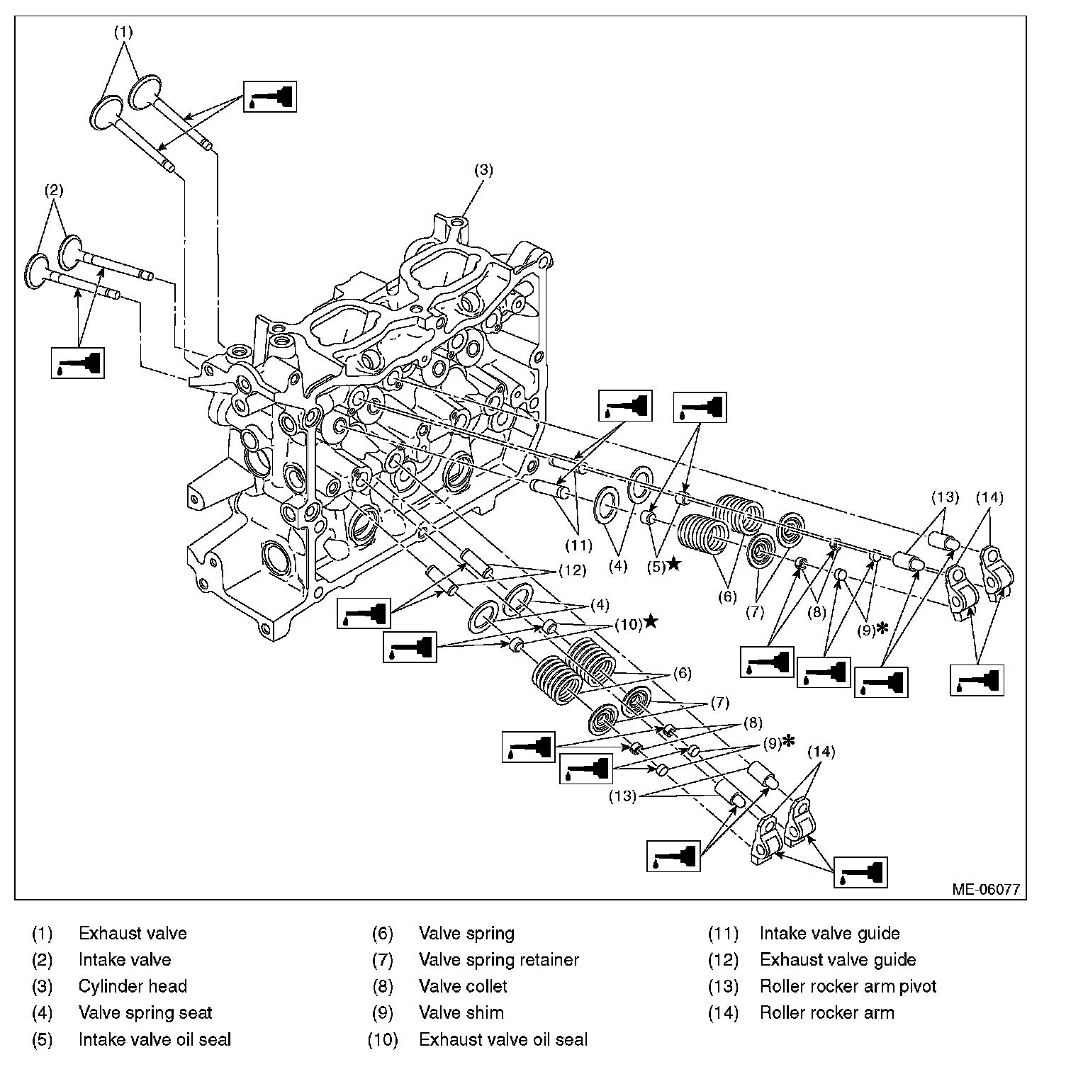
1) Remove the chain cover securing bolt from the cylinder head LH.





2) Remove the stud bolts from the cylinder head.





3) Remove the valve collet, valve, valve spring retainer, valve spring and valve spring seat from the cylinder head RH.

CAUTION:
During work, place a waste cloth, etc. to avoid scratching the mating surface of the cylinder head RH.

NOTE:
^ Mark each part to prevent confusion.
^ Keep all the removed parts in order for re-installing in their original positions.

(1) Compress the valve spring and remove the valve collet using ST.
ST 0920287002000 REMOVER AND REPLACER





(2) Remove valve, valve spring retainer, valve spring and valve spring seat.
4) Remove the valve collet, valve, valve spring retainer, valve spring and valve spring seat from the cylinder head LH.
5) Remove the valve oil seal from the valve guide.

CAUTION:
^ During work, place a waste cloth, etc. to avoid scratching the mating surface of the cylinder head RH.
^ Use special care not to damage the cylinder head RH and guide during work.


NOTE:
For removal of valve guide, refer to INSPECTION. Part 3





6) For cylinder head LH, remove the valve oil seal in the same manner.

ASSEMBLY





1) Using the ST, install the valve oil seal to the valve guide.

CAUTION:
^ During work, place a waste cloth, etc. to avoid scratching the mating surface of the cylinder head RH.
^ Use special care not to damage the cylinder head RH and guide during work.
^ When installing the valve oil seal, press the ST with hands to install it and never drive the ST with a plastic hammer, otherwise the valve oil seal can be damaged.


NOTE:
^ Use a new valve oil seal.
^ Apply engine oil to valve oil seal before installing.
^ The intake valve oil seals and exhaust valve oil seals are distinguished by their colors.

Identification colors:
Intake [Gray]
Exhaust [Green]

^ For installation of valve guide, refer to INSPECTION. Part 3
ST 18261AA010 VALVE OIL SEAL GUIDE





2) For cylinder head LH, install the valve oil seal in the same manner.
3) Install the valve spring seat, valve spring, valve spring retainer, valve and valve collet to the cylinder head RH.

CAUTION:
During work, place a waste cloth, etc. to avoid scratching the mating surface of the cylinder head RH.

(1) Set the valve spring seat, valve spring and valve spring retainer onto the cylinder head RH.

NOTE:
Be sure to install the valve spring with its close-coiled end facing the cylinder head RH side.

(2) Coat the valve stem of each valve with engine oil and insert the valve into valve guide.

NOTE:
When inserting the valve into valve guide, use special care not to damage the oil seal lip.

(3) Compress the valve spring and install the valve collet using ST.
ST 0920287002000 REMOVER AND REPLACER





4) Install the valve spring seat, valve spring, valve spring retainer, valve and valve collet to the cylinder head LH.
5) Lightly tap the valve spring retainer with a plastic hammer, and make sure that the valve collet is securely attached.
6) Install the stud bolts onto cylinder heads.

Tightening torque:
T1: 6.4 Nm (0.7 kgf-m, 4.7 ft-lb)
T2: 18 Nm (1.8 kgf-m, 13.3 ft-lb)





7) Install the chain cover securing bolt to the cylinder head LH.

Tightening torque:
6.4 Nm (0.7 kgf-m, 4.7 ft-lb)