Operation CHARM: Car repair manuals for everyone.
Manuals through 2025 now available!

Our trusted friends have launched a new website named LEMON, which has newer manuals. It also contains all the CHARM manuals.

LEMON is the spiritual successor to CHARM, I recommend you try it!

Link: lemon-manuals.la or lemon-manuals.org.ua

(Some people have issue connecting. LEMON is investigating. For now, use Firefox or change your DNS server)

Or, hide this message: temporarily or permanently

Exploded Views

GENERAL DESCRIPTION

COMPONENT

1. HEATER COOLING UNIT
- Auto A/C model






- Manual A/C model






2. BLOWER MOTOR UNIT






3. CONTROL MODULE
- Single auto A/C model






- Dual auto A/C model






- Manual A/C model






4. AIR CONDITIONING UNIT
- Non-turbo model






- Turbo model






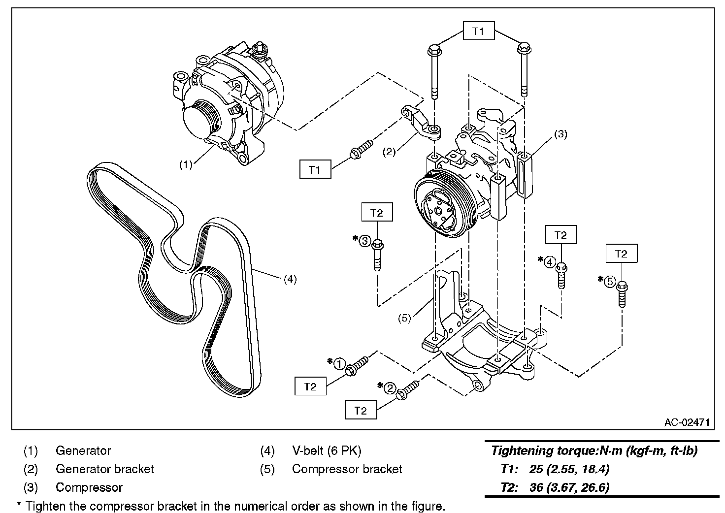
5. COMPRESSOR
- Non-turbo model






- Turbo model






6. HEATER DUCT