Operation CHARM: Car repair manuals for everyone.
Manuals through 2025 now available!

Our trusted friends have launched a new website named LEMON, which has newer manuals. It also contains all the CHARM manuals.

LEMON is the spiritual successor to CHARM, I recommend you try it!

Link: lemon-manuals.la or lemon-manuals.org.ua

(Some people have issue connecting. LEMON is investigating. For now, use Firefox or change your DNS server)

Or, hide this message: temporarily or permanently

Leak Detection Valve: Testing and Inspection

LEAK CHECK VALVE ASSEMBLY

INSPECTION

1. CHECK SWITCHING VALVE
1. Check the resistance between switching valve terminals.






2. Disconnect the drain tube from the leak check valve assembly.






3. Check that air does not come out from (B) when air is blown into (A).






4. Connect the battery positive terminal to the terminal No. 5 and the battery negative terminal to the terminal No. 1. Check that air is discharged from (B), when supplying air to (A).






2. CHECK VACUUM PUMP
1. Connect the battery positive terminal to terminal No. 3 and the battery ground terminal to terminal No. 4, and inspect the vacuum pump operation.

CAUTION: Do not operate the vacuum pump for 5 minutes or more.






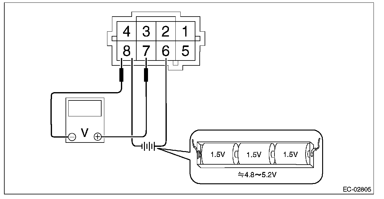
3. CHECK PRESSURE SENSOR
1. Connect dry-cell battery positive terminal to terminal No. 6 and dry-cell battery ground terminal to terminal No. 8, circuit tester positive terminal to terminal No. 7 and the circuit tester negative terminal to terminal No. 8.

NOTE:
- Use new dry-cell batteries.
- Using circuit tester, check the voltage of a single dry-cell battery is 1.6 V or more. And also check the voltage of three batteries in series is between 4.8 V and 5.2 V.






2. Check the voltage at a normal atmospheric pressure.

NOTE: The atmospheric pressure at higher altitude is lower than normal. Therefore, the voltage is lower than the standard value.






3. Connect the battery positive terminal to terminal No. 3 and the battery ground terminal to terminal No. 4, and check that there is a voltage drop from the voltage measured in Step 2) when the vacuum pump is operated.






4. OTHER INSPECTIONS
Check that the drain tube has no cracks, damage or loose part.