Operation CHARM: Car repair manuals for everyone.
Manuals through 2025 now available!

Our trusted friends have launched a new website named LEMON, which has newer manuals. It also contains all the CHARM manuals.

LEMON is the spiritual successor to CHARM, I recommend you try it!

Link: lemon-manuals.la or lemon-manuals.org.ua

(Some people have issue connecting. LEMON is investigating. For now, use Firefox or change your DNS server)

Or, hide this message: temporarily or permanently

Fuel Tank Pressure Sensor: Testing and Inspection

Fuel Tank Pressure Sensor

INSPECTION

1. FUEL TANK PRESSURE SENSOR
1. Check that the fuel tank pressure sensor does not have deformation, cracks or other damages.
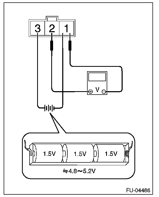
2. Connect dry-cell battery positive terminal to terminal No. 3 and dry-cell battery ground terminal to terminal No. 1, circuit tester positive terminal to terminal No. 2 and the circuit tester negative terminal to terminal No. 1.

NOTE:
- Use new dry-cell batteries.
- Using circuit tester, check the voltage of a single dry-cell battery is 1.6 V or more. And also check the voltage of three batteries in series is between 4.8 V and 5.2 V.






3. Check the voltage at a normal atmospheric pressure.

NOTE: The atmospheric pressure at higher altitude is lower than normal. Therefore, the voltage is lower than the standard value.






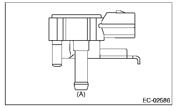
4. Connect the Mighty Vac to the pressure port (A) on the fuel tank pressure sensor.






5. Check the voltage when generating vacuum and positive pressure using Mighty Vac.

CAUTION: Be sure to apply pressure within a range of -10 -- 20 kPa (-0.1 -- 0.2 kgf/sq.cm, -1.45 -- 2.90 psi). Otherwise the fuel tank pressure sensor will be damaged.






2. OTHER INSPECTIONS
Check that the hose has no cracks, damage or loose part.