Operation CHARM: Car repair manuals for everyone.
Manuals through 2025 now available!

Our trusted friends have launched a new website named LEMON, which has newer manuals. It also contains all the CHARM manuals.

LEMON is the spiritual successor to CHARM, I recommend you try it!

Link: lemon-manuals.la or lemon-manuals.org.ua

(Some people have issue connecting. LEMON is investigating. For now, use Firefox or change your DNS server)

Or, hide this message: temporarily or permanently

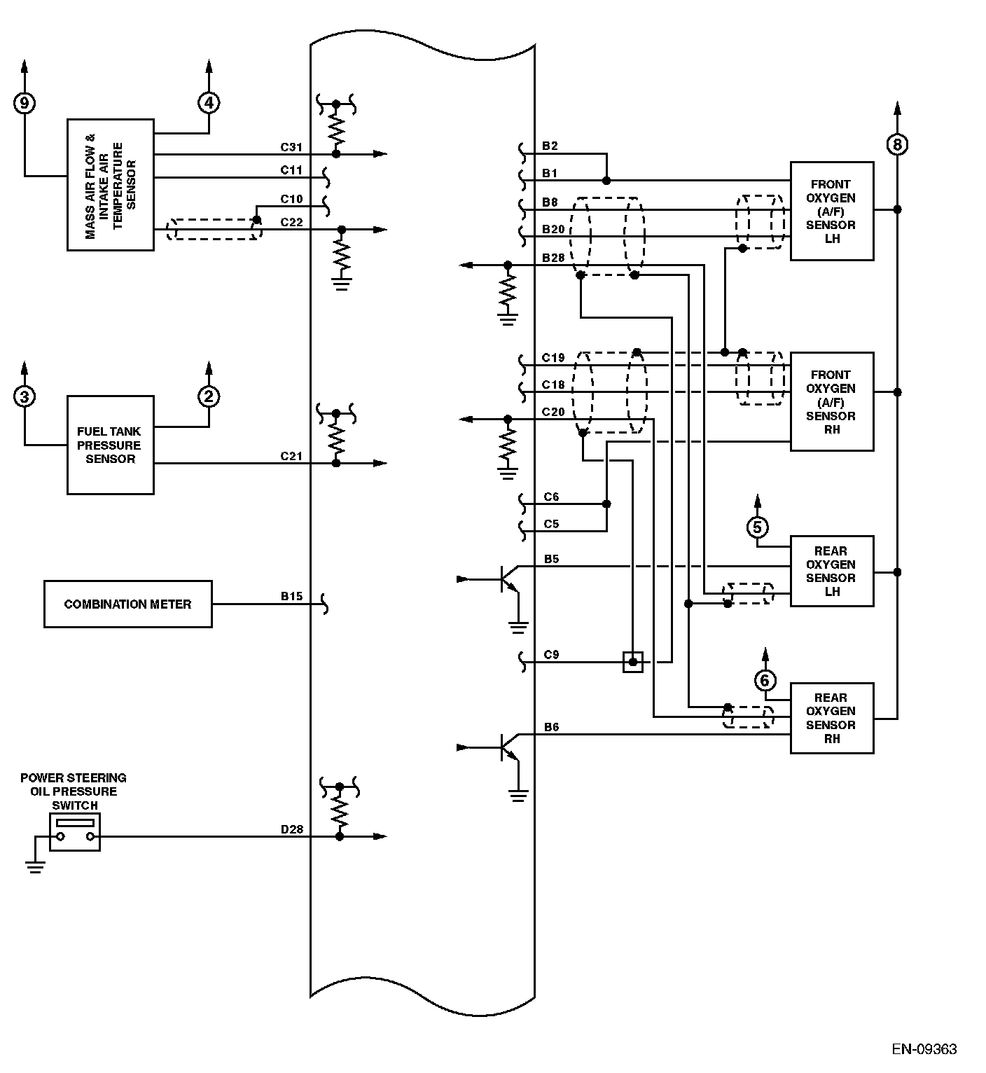
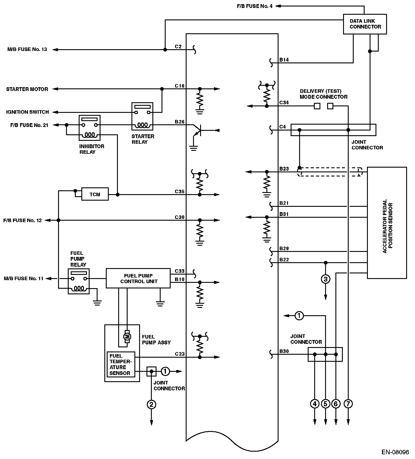
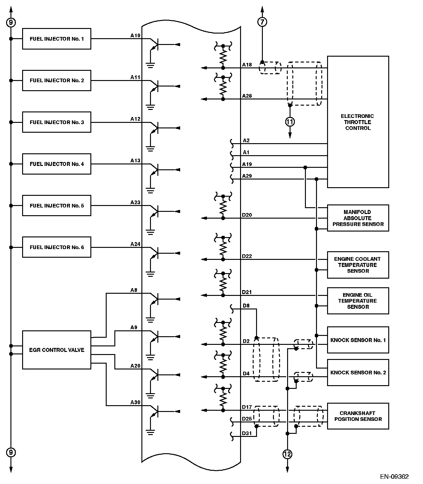
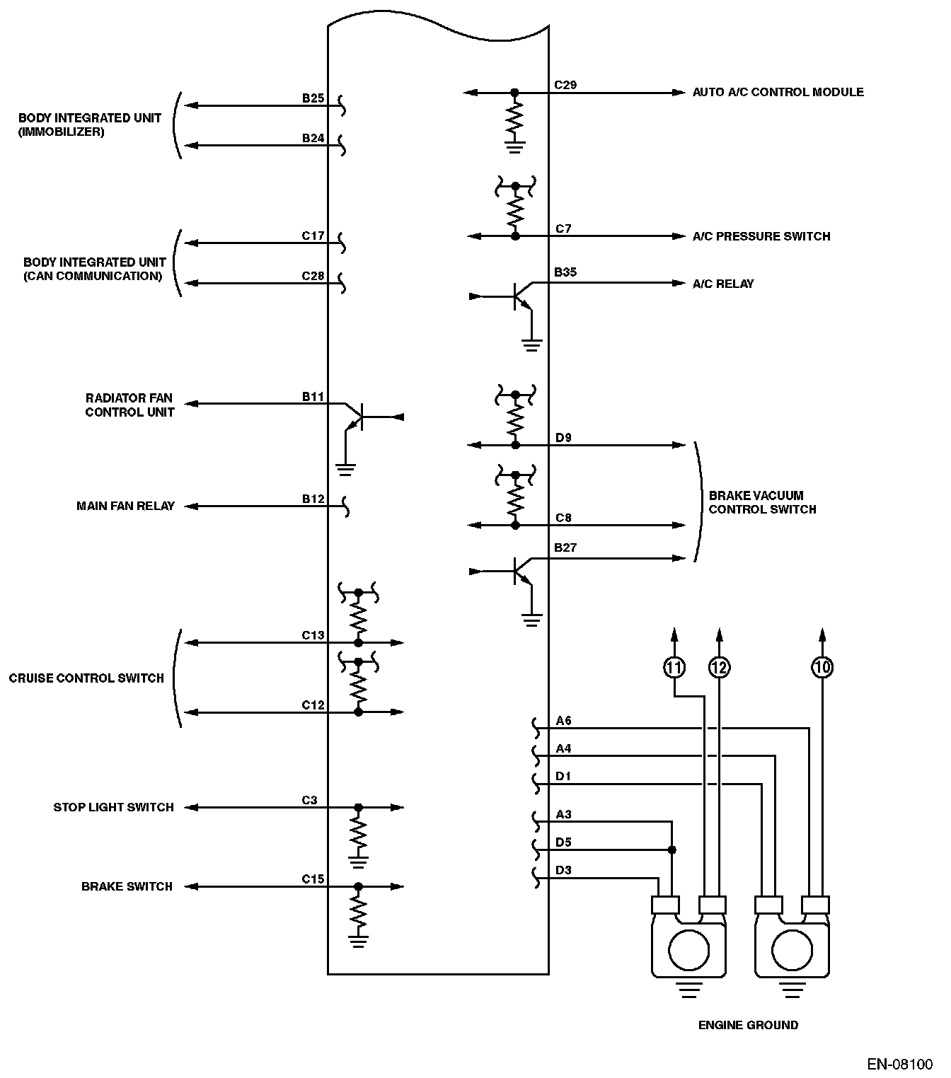
Pinout Values and Diagnostic Parameters

Engine Control Module (ECM) I/O Signal

ELECTRICAL SPECIFICATION


















Input/output name:
- Crankshaft position sensor
- Intake camshaft position sensor RH
- Intake camshaft position sensor LH
- Exhaust camshaft position sensor RH
- Exhaust camshaft position sensor LH

Measuring condition:
- After warming-up
- At idling