Manuals through 2025 now available!
Our trusted friends have launched a new website named LEMON, which has newer manuals. It also contains all the CHARM manuals.
LEMON is the spiritual successor to CHARM, I recommend you try it!
Link:
lemon-manuals.la or
lemon-manuals.org.ua
(Some people have issue connecting. LEMON is investigating. For now, use Firefox or change your DNS server)
Or, hide this message:
temporarily or
permanently
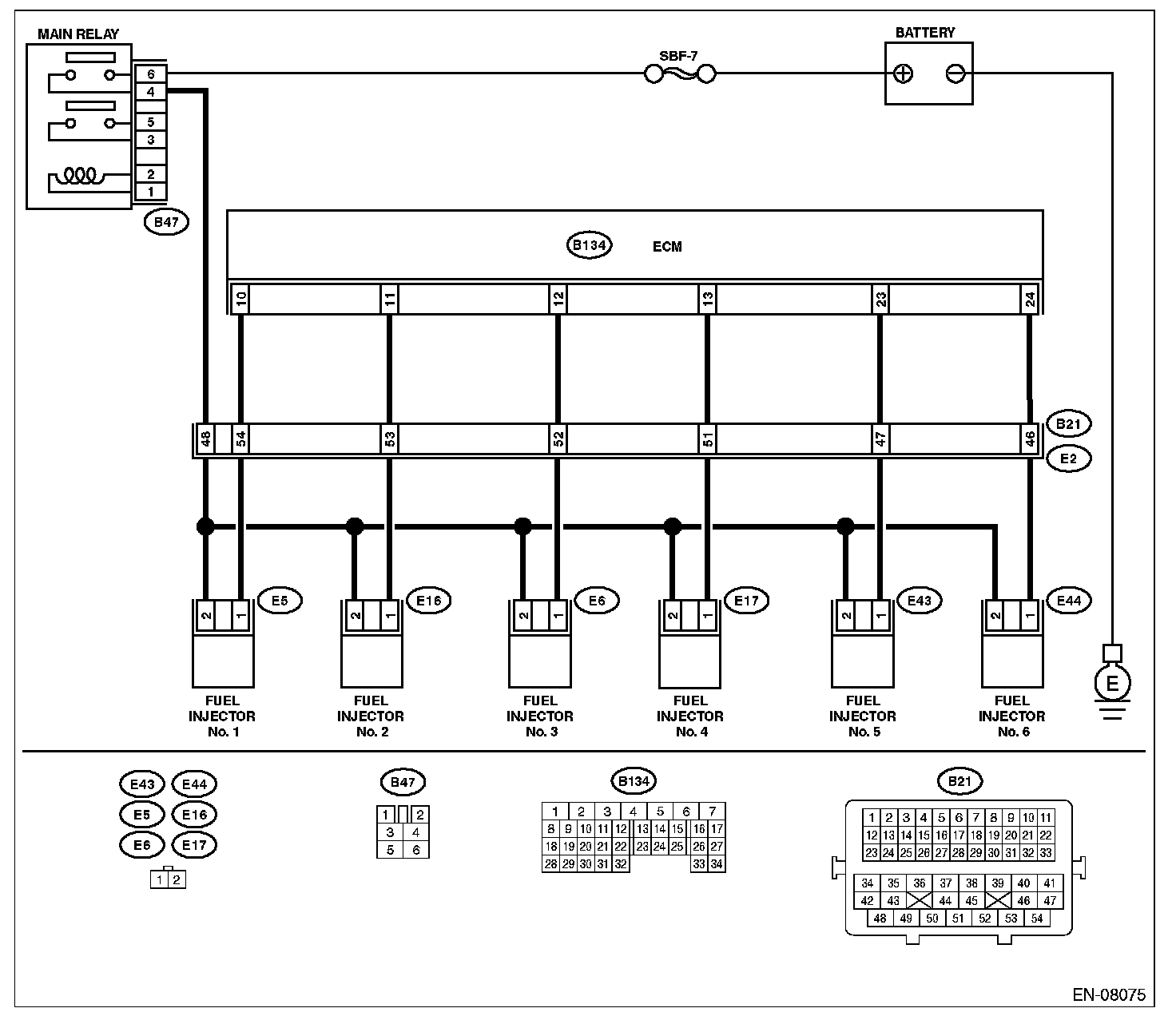
Fuel Injector Circuit
Diagnostics for Engine Starting Failure
FUEL INJECTOR CIRCUITCAUTION: -
Check or repair only faulty parts.
-
After servicing or replacing faulty parts, perform Clear Memory Mode
Clear Memory Mode, and Inspection Mode
Inspection Mode.
WIRING DIAGRAM: