Operation CHARM: Car repair manuals for everyone.
Manuals through 2025 now available!

Our trusted friends have launched a new website named LEMON, which has newer manuals. It also contains all the CHARM manuals.

LEMON is the spiritual successor to CHARM, I recommend you try it!

Link: lemon-manuals.la or lemon-manuals.org.ua

(Some people have issue connecting. LEMON is investigating. For now, use Firefox or change your DNS server)

Or, hide this message: temporarily or permanently

Diagnostic Procedure Without Diagnostic Trouble Code (DTC)

Diagnostic Procedure without Diagnostic Trouble Code (DTC)

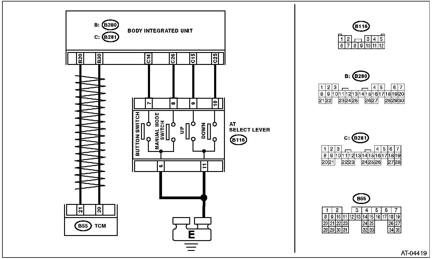
CHECK MANUAL MODE SWITCH

DIAGNOSIS:
Input signal circuit of manual mode switch is open or shorted.

TROUBLE SYMPTOM:
Does not shift on manual mode.

WIRING DIAGRAM:














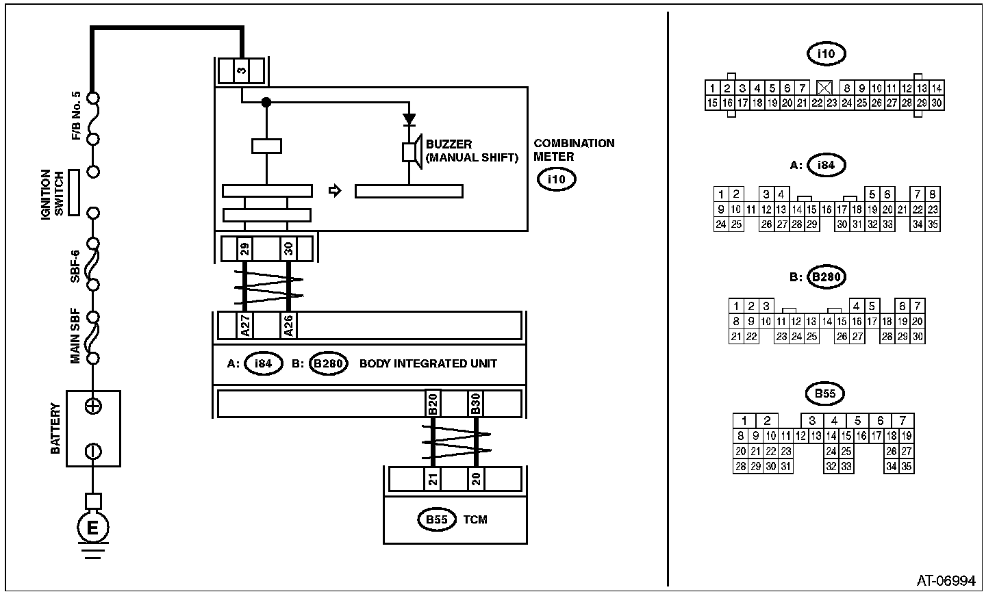
CHECK SHIFT INDICATOR

DIAGNOSIS:
Output signal circuit of shift indicator is open or shorted.

TROUBLE SYMPTOM:
^ Shift indicator is not displayed.
^ Shift indicator display does not change.
^ Shift indicator remains displayed.

WIRING DIAGRAM:








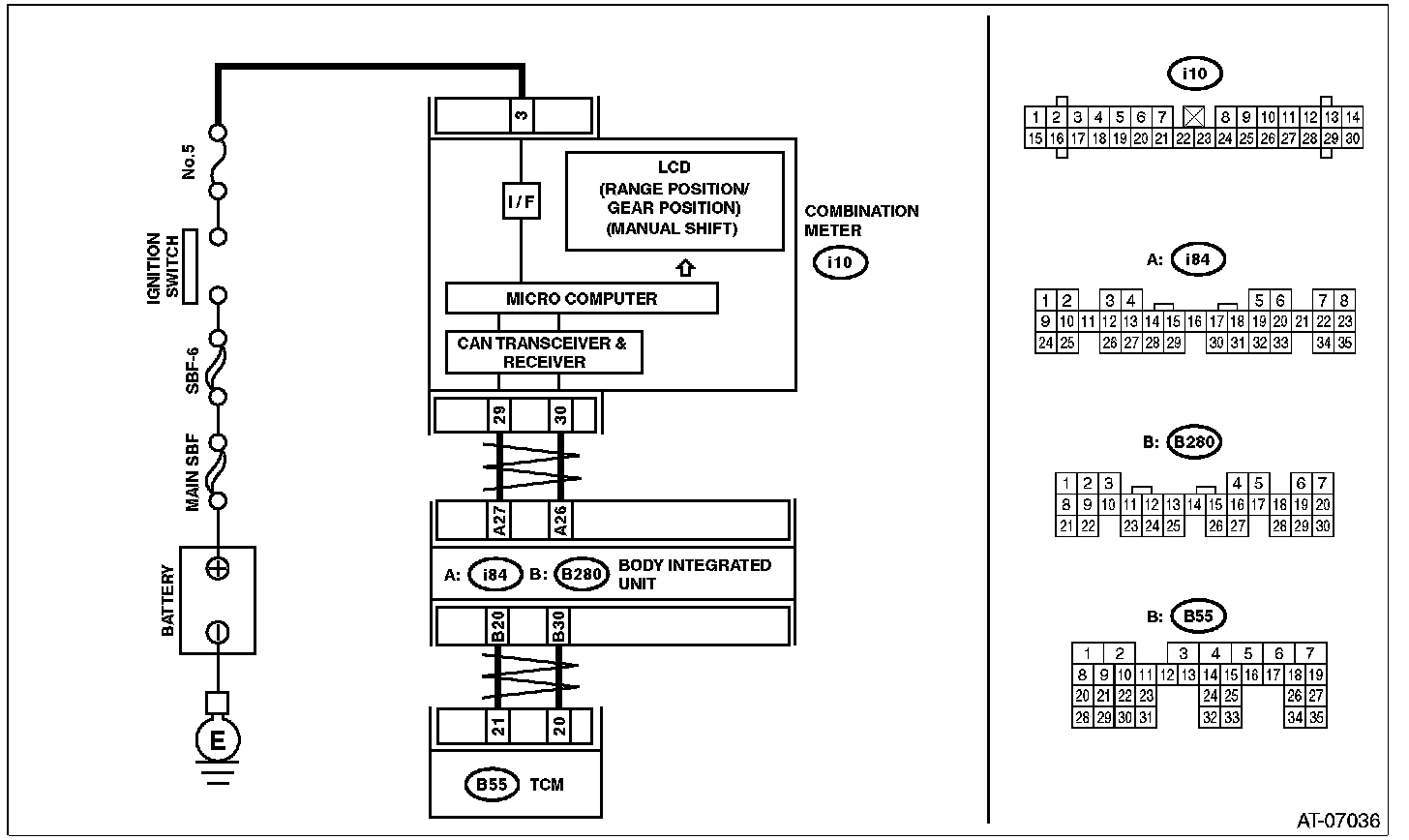
CHECK BUZZER

DIAGNOSIS:
Output signal circuit of buzzer is open or shorted.

TROUBLE SYMPTOM:
Buzzer remains beeping.

WIRING DIAGRAM: