Sensors & Lead Wires
The feedback system uses the following sensors: wide open microswitch, idle microswitch, thermal switch, high altitude compensator, thermal engine compartment switch and fifth switch. If any of these sensors malfunctions or if a sensor circuit is interrupted, the feedback system will not function properly since the ECM is not receiving a signal. Check each sensor and its circuit as follows:1. Turn ignition off.
2. Disconnect ECM connector.
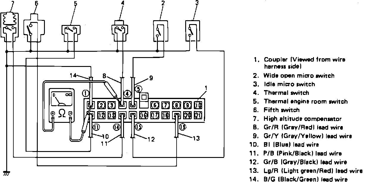
Fig. 19 ECM Sensor Circuit Test Connections:
3. Connect ohmmeter between terminal 4 of ECM harness connector and terminal 1 (ground), Fig. 19, and measure resistance. Repeat with terminals 5, 11, 14, 15 and 19.
Fig. 20 ECM Sensor Circuit Test Specifications:
4. Compare observed reading to Fig. 20.
5. Reconnect ECM connector securely.