Operation CHARM: Car repair manuals for everyone.
Manuals through 2025 now available!

Our trusted friends have launched a new website named LEMON, which has newer manuals. It also contains all the CHARM manuals.

LEMON is the spiritual successor to CHARM, I recommend you try it!

Link: lemon-manuals.la or lemon-manuals.org.ua

(Some people have issue connecting. LEMON is investigating. For now, use Firefox or change your DNS server)

Or, hide this message: temporarily or permanently

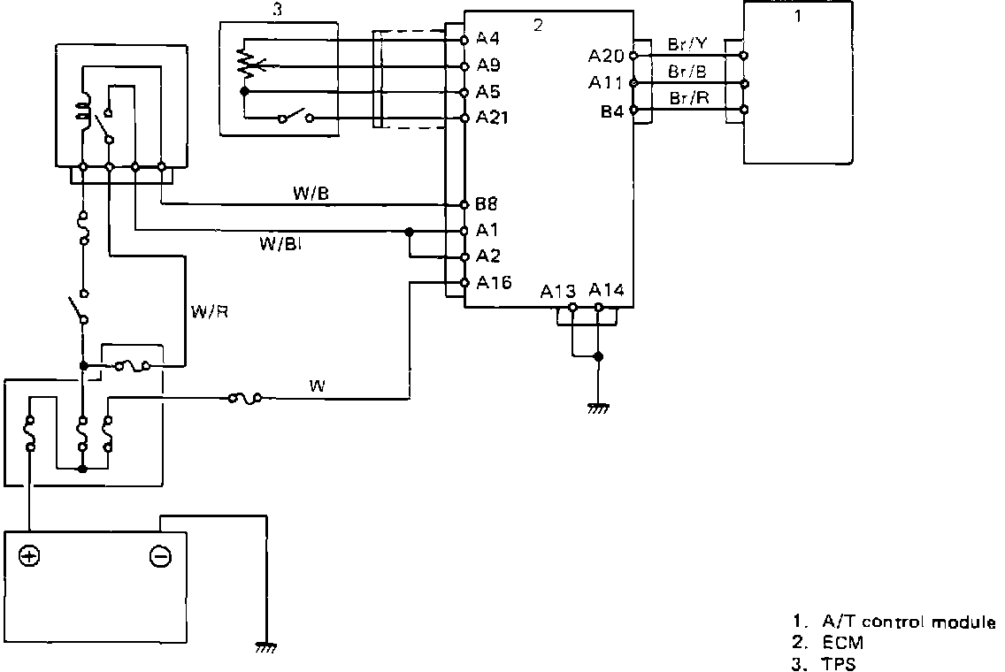
Throttle Position Switch: Testing and Inspection

Throttle Position Sensor Circuit:




Checking Output Signal:





- Check voltage at each terminal for "Br/Y", "Br/B" and "Br/R" wires of A,T control module while depressing accelerator pedal gradually.
A/T control module is located under instrument panel and at the right of steering column bracket.

ON/OFF Signal Diagram:





Voltage at each terminal should vary as shown in following ON/OFF signal diagram.

If check result is not satisfactory, check each wire harness, coupler connections, TPS and ECM.