Operation CHARM: Car repair manuals for everyone.
Manuals through 2025 now available!

Our trusted friends have launched a new website named LEMON, which has newer manuals. It also contains all the CHARM manuals.

LEMON is the spiritual successor to CHARM, I recommend you try it!

Link: lemon-manuals.la or lemon-manuals.org.ua

(Some people have issue connecting. LEMON is investigating. For now, use Firefox or change your DNS server)

Or, hide this message: temporarily or permanently

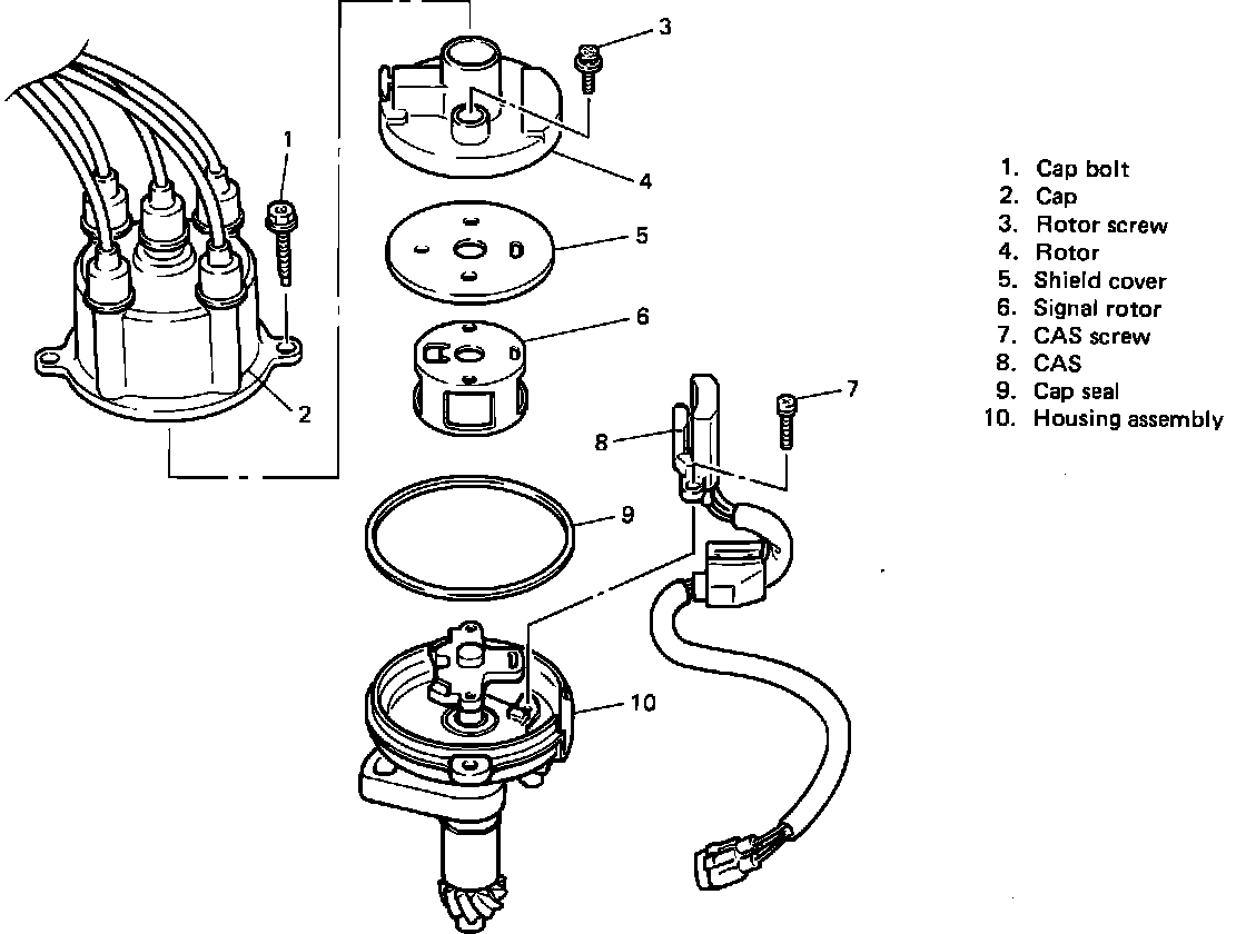
Disassembly, Inspection and Assembly

Distributor Components:




Installing Signal Rotor:





- Use the illustrations as a service guide.
- Note the following during reassembly:
^ Check to make sure that CAS magnet is free from any metal particles after installing CAS.
^ When installing signal rotor, shield cover and rotor to shaft, be sure to fit lug "A" on rotor in oblong holes "B" in cover, signal rotor and shaft.