Operation CHARM: Car repair manuals for everyone.
Manuals through 2025 now available!

Our trusted friends have launched a new website named LEMON, which has newer manuals. It also contains all the CHARM manuals.

LEMON is the spiritual successor to CHARM, I recommend you try it!

Link: lemon-manuals.la or lemon-manuals.org.ua

(Some people have issue connecting. LEMON is investigating. For now, use Firefox or change your DNS server)

Or, hide this message: temporarily or permanently

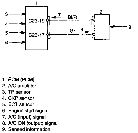
A/C Signal: Description and Operation





Air Conditioning (A/C) Signal (Vehicle with A/C only)
This signal is sent from the A/C amplifier.
The A/C amplifier outputs this signal to ECM (PCM) when A/C ON conditions are satisfied on the A/C amplifier side. (The air conditioning does not turn ON in this state.) When ECM (PCM) detects through the A/C signal that A/C ON conditions are satisfied on the A/C amplifier side, it uses the A/C signal as one of the factors to output A/C ON signal and to control IAC valve and fuel injection respectively.





AIR CONDITIONING (A/C) ON SIGNAL OUTPUT FOR A/C AMPLIFIER (VEHICLE WITH A/C ONLY)
ECM (PCM) outputs AC ON signal (one of the signals for AC amplifier to control the air conditioning) to A/C amplifier when A/C signal inputted to ECM (PCM) and conditions listed below are satisfied.

Throttle valve opening : below 600

Engine coolant temp. : below 106°C (223°F)

Engine speed: : between 650 r/min and 5600 r/min

Even when throttle valve opening exceeds the above specified value, the A/C turns ON after 10 seconds although it remains OFF unless the vehicle speed is increased. Also, when the engine coolant temperature is 106 °C (223 °F) to 112 °C (233 °F), A/C turns ON and OFF at cycles of 20 - 30 seconds repeatedly. At this time, the lower the coolant temperature is, the longer the A/C ON time becomes.