Operation CHARM: Car repair manuals for everyone.
Manuals through 2025 now available!

Our trusted friends have launched a new website named LEMON, which has newer manuals. It also contains all the CHARM manuals.

LEMON is the spiritual successor to CHARM, I recommend you try it!

Link: lemon-manuals.la or lemon-manuals.org.ua

(Some people have issue connecting. LEMON is investigating. For now, use Firefox or change your DNS server)

Or, hide this message: temporarily or permanently

Computers and Control Systems: Description and Operation


GENERAL DESCRIPTION
This vehicle is equipped with an engine and emission control system which are under control of ECM (PCM). The engine and emission control system in this vehicle are controlled by ECM. ECM has an On-Board Diagnostic system which detects a malfunction in this system and abnormality of those pans that influence the engine exhaust emission.
When diagnosing engine troubles, be sure to have full understanding of the outline of "On-Board Diagnostic System" and each item in "Precaution in Diagnosing Trouble" and execute diagnosis according to "DIAGNOSIS BY SYMPTOM."

There is a close relationship between the engine mechanical, engine cooling system, ignition system, exhaust system, etc. and the engine and emission control system in their structure and operation. In case of an engine trouble, even when the malfunction indicator lamp (MIL, "SERVICE ENGINE SOON" lamp) doesn't turn ON, it should be diagnosed according to this flow table.

Component Locations:




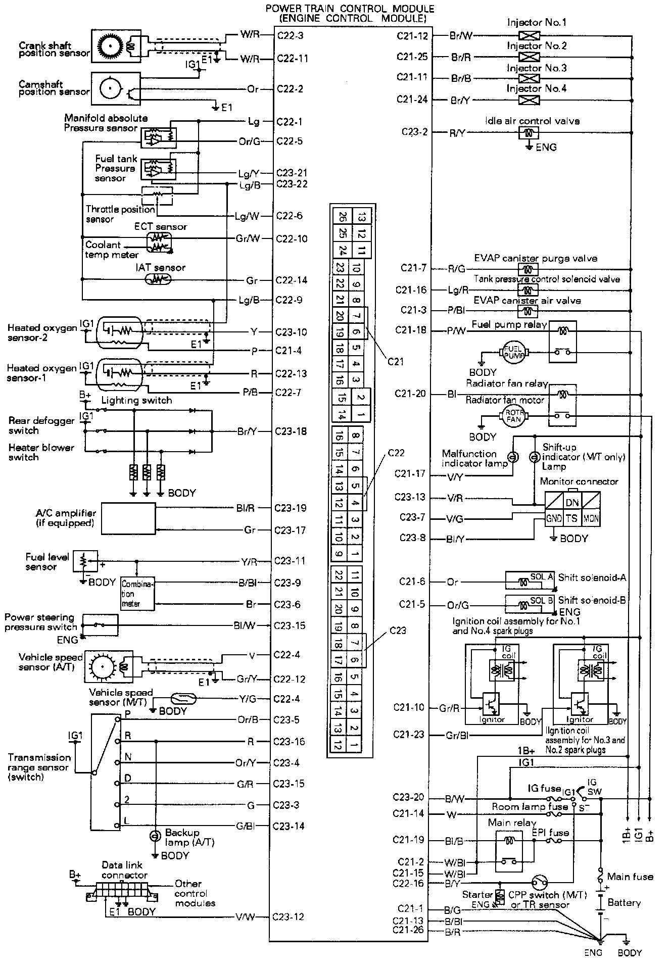
System Diagram:




Connector Designation:





ELECTRONIC CONTROL SYSTEM
The electronic control system consists of 1) various sensors which detect the state of engine and driving conditions, 2) ECM (PCM) which controls various devices according to the signals from the sensors and 3) various controlled devices.
Functionally, it is divided into following sub systems:
- Fuel injection control system
- Idle speed control system
- Fuel pump control system
- A/C control system (if equipped)
- Radiator fan control system
- Evaporative emission control system
- Oxygen sensor heater control system
- Ignition control system
- Shift-up indicator light control system (if equipped)
- Automatic transmission control system