Operation CHARM: Car repair manuals for everyone.
Manuals through 2025 now available!

Our trusted friends have launched a new website named LEMON, which has newer manuals. It also contains all the CHARM manuals.

LEMON is the spiritual successor to CHARM, I recommend you try it!

Link: lemon-manuals.la or lemon-manuals.org.ua

(Some people have issue connecting. LEMON is investigating. For now, use Firefox or change your DNS server)

Or, hide this message: temporarily or permanently

Component Tests and General Diagnostics

Power Door Lock And Keyless Entry System Inspection (If Keyless Entry Is Equipped)


Steps 1- 13:






Power Door Lock Operation Inspection

1. With the driver side door key turned to LOCK, check all power doors are locked.
2. With the driver side door key turned to UNLOCK, check only the driver side power door is unlocked.
Turn the driver side door key to UNLOCK again within 5 seconds, check all power doors are unlocked.

If check result of Step 1) and Step 2) is satisfactory, this operation is OK.

Keyless Entry Operation Inspection

1. With the IG switch OFF and all doors closed, push LOCK button on transmitter. Check all power doors are locked.
2. Push UNLOCK button on transmitter. Check only driver side power door is unlocked.
3. Push UNLOCK button on transmitter again within 5 seconds. Check all power doors are unlocked.
But if any door is not opened within 30 seconds after power door(s) unlocked, all power doors are locked again automatically.

If check result of Step 1) to Step 3) is satisfactory, this operation is OK.

Hazard Warning Lights Operation Inspection

1. Check that hazard warning lights flash one time when power doors are locked by pushing LOCK button on transmitter.
2. Check that hazard warning lights flash two times when power door(s) is (are) unlocked by pushing UNLOCK button on transmitter.

If check result of Step 1) and Step 2) is satisfactory, this operation is OK.

Interior Light Operation Inspection

1. With the IG switch OFF and all doors are closed, push UNLOCK button on transmitter. Check that interior light stays ON for 20 seconds.
2. Push UNLOCK button again, turn IG switch to ON within 20 seconds. Check that interior light goes out.

If check result of Step 1) and Step 2) is satisfactory, this operation is OK.

Power Door Lock Actuator Circuit Inspection

1. Disconnect negative cable at battery.
2. Disconnect coupler of power door lock and keyless entry controller.
3. Use a 12 V battery to connect its (+) terminal to terminal "L07-1", and its (-) terminal to terminal "L07-2" and "L07-3". Check all power doors are locked.
If check result is satisfactory, this circuit is OK.







Power Supply and Grounding Circuit Inspection

1. Disconnect negative cable at battery.
2. Disconnect coupler of power door lock and keyless entry controller, and connect negative cable at battery.
3. Check that the voltage and resistance between the following terminals are specifications.
If check result is satisfactory, this circuit is OK.

Voltage and resistance specifications of each terminals and ground







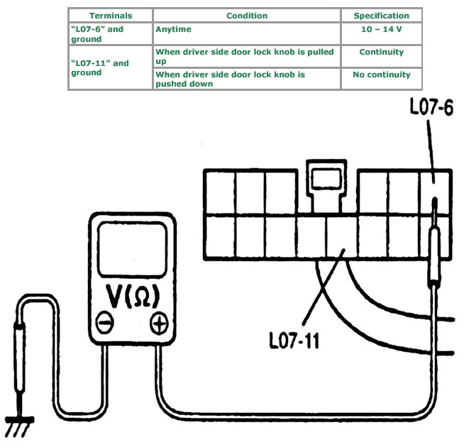
Door Lock Key and Power Door Lock Switch Circuit Inspection

1. Disconnect negative cable at battery.
2. Disconnect coupler of power door lock and keyless entry controller.
3. Check for continuity between the following terminals at each condition.
If check result is satisfactory, this circuit is OK.

Door lock key and power door lock switch continuity







Ignition Switch and Door Switch Circuit Inspection

1. Disconnect negative cable at battery.
2. Disconnect coupler of power door lock and keyless entry controller, and connect negative cable at battery.
3. Check that the voltage and resistance between the following terminals are specifications.
If check result is satisfactory, this circuit is OK.

Voltage and resistance specifications of each terminals and ground







Door Knob Switch and Hazard Warning Lights Circuit Inspection

1. Disconnect negative cable at battery.
2. Disconnect coupler of power door lock and keyless entry controller, and connect negative cable at battery.
3. Check that the voltage and resistance between the following terminals are specifications.
If check result is satisfactory, this circuit is OK.

Voltage and resistance specifications of each terminals and ground







Interior Light and Ignition Switch Circuit Inspection

1. Disconnect negative cable at battery.
2. Disconnect coupler of power door lock and keyless entry controller, and connect negative cable at battery.
3. Check that the voltage between the following terminals are specification.
If check result is satisfactory, this circuit is OK.

Voltage specifications of each terminals and ground