Operation CHARM: Car repair manuals for everyone.
Manuals through 2025 now available!

Our trusted friends have launched a new website named LEMON, which has newer manuals. It also contains all the CHARM manuals.

LEMON is the spiritual successor to CHARM, I recommend you try it!

Link: lemon-manuals.la or lemon-manuals.org.ua

(Some people have issue connecting. LEMON is investigating. For now, use Firefox or change your DNS server)

Or, hide this message: temporarily or permanently

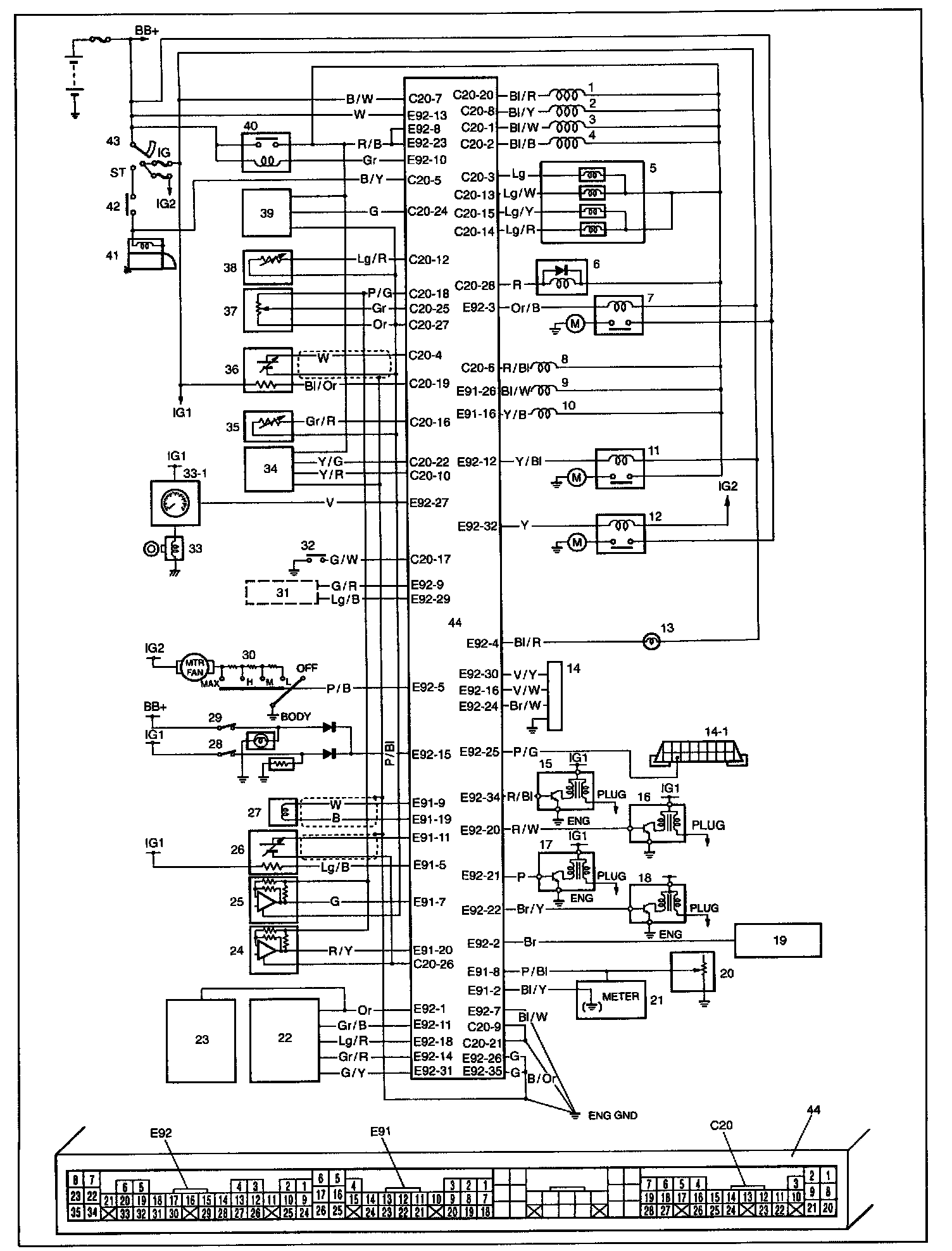
System Diagram




Connectors E91, E92 And C20:





1. No.1 injector
2. No.2 injector
3. No.3 injector
4. No.4 injector
5. EGR valve (stepping motor)
6. Idle air control (IAC) valve
7. Radiator fan motor relay
8. EVAP canister purge valve
9. Tank pressure control solenoid valve
10. EVAP canister air valve
11. Fuel pump relay
12. A/C condenser fan motor relay
13. Malfunction indicator lamp (MIL) ("CHECK ENGINE" light)

14. Monitor (Diag. -1) connector
14-1. Data link connector

15. No.1 ignition coil assembly
16. No.2 ignition coil assembly
17. No.3 ignition coil assembly
18. No.4 ignition coil assembly
19. Tachometer
20. Fuel level sensor
21. Combination meter
22. Transmission control module (TCM)
23. Cruise control module
24. Fuel tank pressure sensor
25. Manifold differential pressure sensor
26. Heater oxygen sensor-2 (HO2S-2)
27. Crankshaft position (CKP) sensor
28. Rear defogger switch
29. Lighting switch
30. Heater blower switch
31. A/C control module (amplifier)
32. Power steering pressure switch

33. Vehicle speed sensor
33-1. Speedometer

34. Camshaft position (CM P) sensor
35. Intake air temp. (IAT) sensor
36. Heated oxygen sensor-1 (HO2S-1)
37. Throttle position (TP) sensor
38. Engine coolant temp. (ECT) sensor
39. Mass air flow (MAF) sensor
40. Main relay
41. Starter magnetic switch
42. Clutch pedal position (CPP) switch for M/T or Park/neutral position switch in Transmission range (TR) sensor for A/T
43. Main (Ignition and starter) switch
44. Engine control module (ECM)